新手上路
主題
主題
全部主題
學習法
學習方法 (215)
公職考試
高普考 (556)
鐵路特考 (916)
初等/地方特考 (351)
司法特考 (53)
移民特考 (10)
關務/稅務特考 (55)
民航特考 (20)
國安局/調查局 (14)
身心障礙特考 (36)
原住民特考 (12)
外交特考 (10)
海巡特考 (7)
就業考試
中華郵政 (1441)
捷運公司 (147)
銀行考試 (240)
農漁會 (58)
國營事業 (213)
中華電信 (86)
台電公司 (157)
臺灣菸酒 (162)
中油公司 (180)
自來水公司 (101)
中鋼/中鋁/中龍鋼/中碳 (67)
農田水利會 (75)
漢翔航空 (31)
臺灣港務公司 (36)
台糖公司 (27)
其他 (109)
金融證照
期貨/證券 (57)
投信投顧/信託 (13)
理財規劃 (25)
內控 (4)
授信/外匯 (6)
債券/票券 (1)
股務人員 (1)
專技/技術證照
導遊領隊 (45)
記帳士 (7)
不動產經紀人 (13)
地政士 (7)
消防設備人員 (4)
報關人員 (5)
技術士檢定 (35)
社工師 (5)
食品技師 (6)
人身保險業務員 (5)
軍警考試
一般警察/警察特考 (101)
警專/警大 (33)
軍士官/預官 (9)
軍校招考 (12)
升學考試
升高中 (11)
升大學/轉學考 (34)
升科大四技 (5)
研究所 (6)
國貿類
國貿大會考 (3)
專責報關人員 (0)
教育師資
公幼教保人員 (8)
公幼教師甄選 (2)
教師甄試 (14)
語言檢定
全民英檢 (5)
TOEIC多益 (5)
資訊平台
就業資訊 (8)
金融議題 (1)
鼎文學員專區
密集班 (0)
一般班 (0)
其他
其他 (3640)
老師
發問
登入
註冊
鐵路特考考古題 102年 電子學大意
鐵路特考考古題
102年 電子學大意
主題分類
學習法
學習方法
公職考試
高普考
鐵路特考
初等/地方特考
司法特考
移民特考
關務/稅務特考
民航特考
國安局/調查局
身心障礙特考
原住民特考
外交特考
海巡特考
就業考試
中華郵政
捷運公司
銀行考試
農漁會
國營事業
中華電信
台電公司
臺灣菸酒
中油公司
自來水公司
中鋼/中鋁/中龍鋼/中碳
農田水利會
漢翔航空
臺灣港務公司
台糖公司
其他
金融證照
期貨/證券
投信投顧/信託
理財規劃
內控
授信/外匯
債券/票券
股務人員
專技/技術證照
導遊領隊
記帳士
不動產經紀人
地政士
消防設備人員
報關人員
技術士檢定
社工師
食品技師
人身保險業務員
軍警考試
一般警察/警察特考
警專/警大
軍士官/預官
軍校招考
升學考試
升高中
升大學/轉學考
升科大四技
研究所
國貿類
國貿大會考
專責報關人員
教育師資
公幼教保人員
公幼教師甄選
教師甄試
語言檢定
全民英檢
TOEIC多益
資訊平台
就業資訊
金融議題
鼎文學員專區
密集班
一般班
其他
其他
0討論
0留言
0追蹤
問題討論
1. 下列由理想運算放大器所組成的應用電路中,何種電路中的運算放大器輸入端,不可視為虛短路?
(A)比較器
(B)非反相放大器
(C)反相放大器
(D)微分器。
0討論
0留言
0追蹤
問題討論
2. 如圖所示之電晶體係下列那一種電晶體?
(A)n通道金氧半場效電晶體(N-MOSFET)
(B)p通道金氧半場效電晶體(P-MOSFET)
(C)n通道接面場效電晶體(N-JFET)
(D)p通道接面場效電晶體(P-JFET)。
0討論
0留言
0追蹤
問題討論
3. 如圖所示運算放大器電路,下列敘述何者錯誤?
(A)參考電壓V
REF
為+6V
(B)當輸入電壓V
i
為5V,輸出電壓V
o
約為-12V
(C)當輸入電壓V
i
為7V,LED燈為暗
(D)此電路為比較器電路。
0討論
0留言
0追蹤
問題討論
4. 有一BJT,其β=100,已知在室溫下熱電壓V
T
=25mV,若I
C
=1mA,則該BJT之轉導g
m
值為:
(A)4mA/V
(B)40mA/V
(C)400mA/V
(D)4A/V。
0討論
0留言
0追蹤
問題討論
5. PN二極體之內建電位障(built-in potential barrier),乃是其空乏區域(depletion region)內甚麼所造成?
(A)兩側電子
(B)兩側電洞
(C)中性原子
(D)正離子及負離子。
0討論
0留言
0追蹤
問題討論
6. 在室溫時,N型或P型半導體的導電特性與溫度的關係是:
(A)隨溫度升高,導電特性變好
(B)隨溫度升高,導電特性變差
(C)導電特性不隨溫度變化而改變
(D)視其為N型或P型半導體而定。
0討論
0留言
0追蹤
問題討論
7. 圖示理想二極體電路中,試求輸入電壓v
I
的範圍,在此範圍內,輸出電壓v
O
的值將會隨輸入v
I
之變化而變化,其範圍為:
(A)1V≤v
I
≤4V
(B)1.5V≤v
I
≤6V
(C)2V≤v
I
≤8V
(D)4V≤v
I
≤10V。
0討論
0留言
0追蹤
問題討論
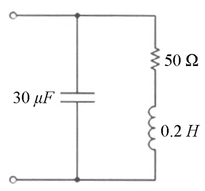
8. 如圖所示之電路,其共振頻率約為何?
(A)51.4Hz
(B)61.4Hz
(C)71.4Hz
(D)81.4Hz。
0討論
0留言
0追蹤
問題討論
9. 圖示全波整流電路,若交流電v
S
之有效值電壓為10V
rms
,二極體導通時的壓降V
D
為0.7V,則此電路中使用的二極體崩潰電壓應至少為:
(A)6.3V
(B)9.3V
(C)13.3V
(D)17.3V。
0討論
0留言
0追蹤
問題討論
10. 若P-N接面二極體之導通電壓為0.7V,且導通電阻值為0,若Vi=Asinωt,下列敘述何者正確?
(A)若A<0.7V,則二極體兩端壓差為0
(B)若A=1V,則電阻上之峰值電流0.3mA
(C)若A=2V,則電阻上之峰值電流為0.65mA
(D)若A>0.7V,則電阻上之電流為直流電。
0討論
0留言
0追蹤
問題討論
11. 如圖所示的電路,則“D
1
”的主要功能為何?
(A)限制電流
(B)限制電壓
(C)提供定電流源
(D)解調。
0討論
0留言
0追蹤
問題討論
12. 今有一電路如圖所示,其中V
P1
=V
P2
=6V、R
1
=10kΩ、R
2
=5kΩ,啟動二極體導通的端電壓須達0.7V以上,則電路中兩顆二極體導通的情形為何?
(A)D
1
(ON),D
2
(ON)
(B)D
1
(ON),D
2
(OFF)
(C)D
1
(OFF),D
2
(ON)
(D)D
1
(OFF),D
2
(OFF)。
0討論
0留言
0追蹤
問題討論
13. 下列對於場效電晶體放大器的敘述,何者錯誤?
(A)共源極放大器的輸入電壓與輸出電壓反相
(B)共閘極放大器的輸入阻抗值很高
(C)共汲極放大器的電壓增益值小於1
(D)共源極放大器的輸入阻抗值很高。
0討論
0留言
0追蹤
問題討論
14. 如圖中具有負載電阻R的箝位電路中,電容值對於輸出波形的影響為何?
(A)不會有影響
(B)影響直流準位的移動量
(C)影響輸出波形的頻率
(D)電容值愈大,輸出波形愈接近輸入波形。
0討論
0留言
0追蹤
問題討論
15. 如圖所示電路,齊納二極體的V
Z
=5V,電源V=15V,R
L
=1kΩ,若齊納二極體容許的最大I
Z
電流I
Zmax
為20mA,則R的最小值R
min
應為多大?
(A)200Ω
(B)300Ω
(C)400Ω
(D)500Ω。
0討論
0留言
0追蹤
問題討論
16. 如圖的共集(CC)放大器(其偏壓未示)。若電晶體的轉導參數為g
m
,輸出電阻為r
o
,則此放大器的電壓增益約為何?
(A)g
m
R
E
(B)g
m
R
E
/(1+g
m
R
E
)
(C)-g
m
R
E
(D)-g
m
R
E
/(1+g
m
R
E
)。
0討論
0留言
0追蹤
問題討論
17. 分析如圖之電路,若MOSFET之轉導值g
m
=1mA/V且操作於飽和區,元件之輸出阻抗r
o
=10kΩ,R
D
=10kΩ,R
G
=10kΩ,試求V
o
/I
i
=?
(A)-90/11
(B)-10
(C)-15/2
(D)-25/3。
0討論
0留言
0追蹤
問題討論
18. 如圖所示電路中電晶體的β=100且爾利電壓(Early Voltage)為無窮大,請問電路的頻寬約為多少?
(A)57MHz
(B)60MHz
(C)65MHz
(D)70MHz。
0討論
0留言
0追蹤
問題討論
19. 如圖所示之放大器,若電晶體操作於飽和區,且其高頻3dB頻率ω
H
遠高於低頻3dB頻率ω
L
,忽略元件本身之寄生電容,下列敘述何者錯誤?
(A)降低R
S
可提高中頻增益
(B)降低C
S
可增加ω
H
-ω
L
(C)降低C
D
可增加ω
H
-ω
L
(D)增加R
G
可增加ω
H
-ω
L
。
0討論
0留言
0追蹤
問題討論
20. 關於MOSFET電晶體之敘述,下列何者錯誤?
(A)NMOSFET通道下方之空乏區帶負電荷
(B)PMOSFET導通時之通道帶正電荷
(C)MOSFET操作在飽和區時之Cgs(閘極到源極之寄生電容)>Cgd(閘極到汲極之寄生電容)
(D)NMOSFET源極(source)對基板(substrate)之電壓提高,臨界電壓(threshold voltage)降低。
0討論
0留言
0追蹤
問題討論
21. 如圖所示電路主要作用為:
(A)電壓緩衝器(Voltage Buffer)
(B)電流放大器(Current Amplifier)
(C)轉阻放大器(Transresistance Amplifier)
(D)截波電路(Limiter Circuit)。
0討論
0留言
0追蹤
問題討論
22. 如圖所示電路中場效電晶體(FET)之V
t
=-1V、μ
p
C
ox
(W/L)=2mA/V
2
,若FET工作在飽和區,且電流I
D
=1mA、V
DD
=5V,則電壓V
G
應為若干伏特?
(A)4.5V
(B)4V
(C)3.5V
(D)3V。
0討論
0留言
0追蹤
問題討論
23. 有一個N通道增強型MOSFET,Vth=1.2V,V
GS
=2V,下列工作區域何者錯誤?
(A)當V
DS
=0.4V,電晶體處在飽和區
(B)當V
DS
=1V,電晶體處在飽和區
(C)當V
DS
=1.5V,電晶體處在飽和區
(D)當V
DS
=5V,電晶體處在飽和區。
0討論
0留言
0追蹤
問題討論
24. 如圖所示電路,假設MOS電晶體操作在飽和區,且其λ值皆大於零,忽略元件內極間電容效應,V
b
為直流電壓,求此電路之轉折(corner)頻率為何?
(A)
(B)
(C)
(D)
。
0討論
0留言
0追蹤
問題討論
25. 空乏型nMOSFET,下列中那一項偏壓將使元件不導通?
(A)Vgs?0
(B)Vgs=0
(C)Vgs>0
(D)Vgs?0。
0討論
0留言
0追蹤
問題討論
26. 有一放大器電路的高頻響應轉移函數(Transfer Function)F
H
(s)如下所示,其中s=jω=j2πf:F
H
(s)=
若繪製|?F
H
(s)?|的波德圖(Bode Plot),試問在頻率f=600kHz時的線段斜率應落在下列何範圍內?
(A)>+25 dB/decade
(B)0 dB/decade至+25 dB/decade
(C)-25 dB/decade至0 dB/decade
(D)<-25 dB/decade。
0討論
0留言
0追蹤
問題討論
27. 請問右圖高通濾波器電路之3分貝(或截止)頻率約為多少?
(A)160Hz
(B)230Hz
(C)450Hz
(D)700Hz。
0討論
0留言
0追蹤
問題討論
28. 如圖所示為一BJT差動對(Differential-Pair)電路。Q
1
=Q
2
,並設工作於主動模式(active-mode)。則呈現在兩基極端的差動輸入電阻(Differential Input Resistance)R
id
以熱電壓(Thermal Voltage)V
T
表示為:
(A)V
T
/I
(B)(β+1)V
T
/I
(C)2(β+1)V
T
/I
(D)4(β+1)V
T
/I。
0討論
0留言
0追蹤
問題討論
29. 金氧半電晶體內部電容影響電路的頻率響應,下列的描述何者錯誤?
(A)電晶體工作於三極管(triode)區時閘極電容可視為一平行板電容
(B)源極-本體間的電容為一反偏的pn接面電容
(C)閘極-汲極間電容與電晶體工作區域無關
(D)源極-本體間的電容會隨偏壓而改變。
0討論
0留言
0追蹤
問題討論
30. 如圖示電路,電晶體電流放大率β=100,若R
C
=5kΩ,R
e
=200Ω,I=1mA,則差模輸入阻抗R
id
約為多少?
(A)400Ω
(B)500Ω
(C)40kΩ
(D)50kΩ。
0討論
0留言
0追蹤
問題討論
31. 一個差動放大器,若V
+
=+10mV而V
-
=-10mV,那差動輸入電壓(differential-mode input voltage)為:
(A)0mV
(B)+10mV
(C)+20mV
(D)-30mV。
0討論
0留言
0追蹤
問題討論
32. 如圖所示放大器,外接電容為CC1、CC2和CS,MOSFET的寄生電容為Cgs和Cgd。有關此放大器電路的高頻響應,下列敘述何者正確?
(A)主要是受外接電容的影響
(B)主要是受MOSFET寄生電容的影響
(C)受外接電容與MOSFET寄生電容的影響程度均相同
(D)主要受其他電容影響,但受外接電容與MOSFET寄生電容的影響程度不大。
0討論
0留言
0追蹤
問題討論
33. 由電阻R
1
、R
2
和運算放大器組成的非反相放大器(Non-Inverting Amplifier),如圖所示。其中R
1
=1kΩ,R
2
=1MΩ。運算放大器的輸出飽和電壓為±10V,輸入偏移電壓(Input Offset Voltage, Vos)為5mV。若輸入V
IN
為正弦訊號,則其最大輸入振幅大約為多少才不會造成輸出訊號失真?
(A)15mV
(B)10mV
(C)5mV
(D)2mV。
0討論
0留言
0追蹤
問題討論
34. 如圖所示之電路,其運算放大器之飽和電壓為±15V,則此電路之遲滯(hysteresis)電壓範圍為何?
(A)10V
(B)12V
(C)15V
(D)18V。
0討論
0留言
0追蹤
問題討論
35. 分析如圖之電路,若MOSFET之轉導值g
m
=1mA/V且操作於飽和區,臨界電壓V
th
=1V,V
GS
=1.2V,求R
D
=?
(A)19kΩ
(B)25kΩ
(C)38kΩ
(D)45kΩ。
0討論
0留言
0追蹤
問題討論
36. 如圖之電路,運算放大器之飽和電壓為±15V,若V
o
之週期為3ms,則R
2
/R
1
為何?
(A)1/10
(B)1/4
(C)1/3
(D)1/2。
0討論
0留言
0追蹤
問題討論
37. 分析以下之電路,若MOSFET皆操作在飽和區且轉導值g
m
為1mA/V,元件之輸出阻抗r
o
皆為10kΩ,試求V
o
/V
i
約為多少?
(A)10
(B)7.5
(C)25/6
(D)25/11。
0討論
0留言
0追蹤
問題討論
38. 如圖所示之電路,若MOSFET操作在飽和區(Saturation Region)且轉導值(g
m
)為1mA/V。若忽略元件之輸出阻抗(r
o
),則輸出(V
o
)對輸入(V
i
)之共模增益(Common Mode Gain)Acm=?
(A)0
(B)1/11
(C)1/10
(D)∞。
0討論
0留言
0追蹤
問題討論
39. 相較於單級共射極(CE)放大器,圖示CC-CE串接電路之主要優點在於提高:
(A)輸入阻抗、輸出阻抗
(B)輸入阻抗、頻寬
(C)輸出阻抗、電壓增益v
o
/v
i
(D)輸出阻抗、頻寬。
0討論
0留言
0追蹤
問題討論
40. 一個理想二極體,在順向偏壓時:
(A)電流為零
(B)電壓為零
(C)電阻為無窮大
(D)電容為零。
愛舉手問答平台