新手上路
主題
主題
全部主題
學習法
學習方法 (215)
公職考試
高普考 (556)
鐵路特考 (916)
初等/地方特考 (351)
司法特考 (53)
移民特考 (10)
關務/稅務特考 (55)
民航特考 (20)
國安局/調查局 (14)
身心障礙特考 (36)
原住民特考 (12)
外交特考 (10)
海巡特考 (7)
就業考試
中華郵政 (1441)
捷運公司 (147)
銀行考試 (240)
農漁會 (58)
國營事業 (213)
中華電信 (86)
台電公司 (157)
臺灣菸酒 (162)
中油公司 (180)
自來水公司 (101)
中鋼/中鋁/中龍鋼/中碳 (67)
農田水利會 (75)
漢翔航空 (31)
臺灣港務公司 (36)
台糖公司 (27)
其他 (109)
金融證照
期貨/證券 (57)
投信投顧/信託 (13)
理財規劃 (25)
內控 (4)
授信/外匯 (6)
債券/票券 (1)
股務人員 (1)
專技/技術證照
導遊領隊 (45)
記帳士 (7)
不動產經紀人 (13)
地政士 (7)
消防設備人員 (4)
報關人員 (5)
技術士檢定 (35)
社工師 (5)
食品技師 (6)
人身保險業務員 (5)
軍警考試
一般警察/警察特考 (101)
警專/警大 (33)
軍士官/預官 (9)
軍校招考 (12)
升學考試
升高中 (11)
升大學/轉學考 (34)
升科大四技 (5)
研究所 (6)
國貿類
國貿大會考 (3)
專責報關人員 (0)
教育師資
公幼教保人員 (8)
公幼教師甄選 (2)
教師甄試 (14)
語言檢定
全民英檢 (5)
TOEIC多益 (5)
資訊平台
就業資訊 (8)
金融議題 (1)
鼎文學員專區
密集班 (0)
一般班 (0)
其他
其他 (3640)
老師
發問
登入
註冊
鐵路特考考古題 108年 基本電學大意
鐵路特考考古題
108年 基本電學大意
主題分類
學習法
學習方法
公職考試
高普考
鐵路特考
初等/地方特考
司法特考
移民特考
關務/稅務特考
民航特考
國安局/調查局
身心障礙特考
原住民特考
外交特考
海巡特考
就業考試
中華郵政
捷運公司
銀行考試
農漁會
國營事業
中華電信
台電公司
臺灣菸酒
中油公司
自來水公司
中鋼/中鋁/中龍鋼/中碳
農田水利會
漢翔航空
臺灣港務公司
台糖公司
其他
金融證照
期貨/證券
投信投顧/信託
理財規劃
內控
授信/外匯
債券/票券
股務人員
專技/技術證照
導遊領隊
記帳士
不動產經紀人
地政士
消防設備人員
報關人員
技術士檢定
社工師
食品技師
人身保險業務員
軍警考試
一般警察/警察特考
警專/警大
軍士官/預官
軍校招考
升學考試
升高中
升大學/轉學考
升科大四技
研究所
國貿類
國貿大會考
專責報關人員
教育師資
公幼教保人員
公幼教師甄選
教師甄試
語言檢定
全民英檢
TOEIC多益
資訊平台
就業資訊
金融議題
鼎文學員專區
密集班
一般班
其他
其他
0討論
0留言
0追蹤
問題討論
1. 某10歐姆電阻所消耗的功率為250瓦特,試求其通過之電流為何?
(A)2A
(B)3A
(C)4A
(D)5A。
0討論
0留言
0追蹤
問題討論
2. 有一根圓柱導線其電阻為15Ω,將其拉長使其長度為原來的兩倍,假設原有的體積並未改變,試求拉長後的電阻為多少歐姆?
(A)15Ω
(B)30Ω
(C)45Ω
(D)60Ω。
0討論
0留言
0追蹤
問題討論
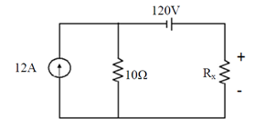
3. 如圖所示電阻電路,電阻R
x
兩端的電位差為160伏特,試求R
x
為多少歐姆?
(A)20
(B)60
(C)10
(D)40。
0討論
0留言
0追蹤
問題討論
4. 銅之原子序為29,則M層之電子數有幾個?
(A)1
(B)2
(C)8
(D)18。
0討論
0留言
0追蹤
問題討論
5. 0.3安培的電流通過一燈絲,在5秒鐘內消耗9.45焦耳的能量,則燈絲兩端的電壓為多少伏特?
(A)1.5
(B)3.15
(C)6.3
(D)9.45。
0討論
0留言
0追蹤
問題討論
6. 某均勻電熱線外加100V時,其消耗功率為100W,若將該電熱線剪去一半且外加電壓改為50V,則消耗若干W?
(A)200
(B)100
(C)50
(D)25。
0討論
0留言
0追蹤
問題討論
7. 電功率的單位是瓦特(W),試問與下列何者單位等效?
(A)焦耳(J)
(B)焦耳(J)/庫倫(C)
(C)焦耳(J)/秒(s)
(D)伏特(V)/庫倫(C)。
0討論
0留言
0追蹤
問題討論
8. 有三個電阻器電阻值,分別為R
1
、R
2
、R
3
,今接線組裝如圖所示,若總電阻為R
T
,則下列何情況為正確?
(A)R
T
>(R
1
+R
2
+R
3
)
(B)R
T
>(R
1
+R
2
)
(C)R
T
<R
1
(D)R
T
<(R
1
+R
3
)。
0討論
0留言
0追蹤
問題討論
9. 一個電爐由120V電源供電,通過的電流為15A,則該電爐約使用多久,其所消耗的能量會達30kJ?
(A)7.5秒
(B)12.5秒
(C)16.67秒
(D)30秒。
0討論
0留言
0追蹤
問題討論
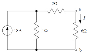
10. 如圖所示電路,電流I
0
為多少安培?
(A)8
(B)11
(C)15
(D)19。
0討論
0留言
0追蹤
問題討論
11. 如圖示之電路,求電壓v之值約為何?
(A)12.4V
(B)13.2V
(C)14.2V
(D)15.2V。
0討論
0留言
0追蹤
問題討論
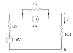
12. 如圖,求a、b端之戴維寧電壓為何?
(A)1V
(B)2V
(C)3V
(D)6V。
0討論
0留言
0追蹤
問題討論
13. 如圖示電路,求AB兩端總電阻R
AB
為多少Ω?
(A)12
(B)15
(C)18
(D)21。
0討論
0留言
0追蹤
問題討論
14. 試求圖中10Ω電阻兩端a-b點間之戴維寧等效電阻為何?
(A)4Ω
(B)6Ω
(C)10Ω
(D)16Ω。
0討論
0留言
0追蹤
問題討論
15. 試求圖中流過6Ω電阻之電流為何?
(A)1安培
(B)2安培
(C)3安培
(D)4安培。
0討論
0留言
0追蹤
問題討論
16. 試求圖中2Ω電阻兩端a-b點間之諾頓等效電流為何?
(A)2安培
(B)3安培
(C)4安培
(D)6安培。
0討論
0留言
0追蹤
問題討論
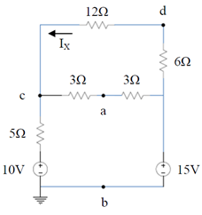
17. 有一電路如下圖所示,試求I
X
值為何?
(A)0.13A
(B)0.39A
(C)0.53A
(D)0.92A。
0討論
0留言
0追蹤
問題討論
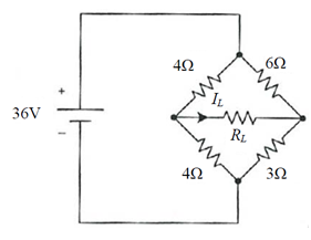
18. 如下圖所示,若R
L
=2Ω,則圖中I
L
為多少安培?
(A)0.5
(B)1
(C)2
(D)4。
0討論
0留言
0追蹤
問題討論
19. 如圖所示電路,電流I
0
為多少安培?
(A)3
(B)5
(C)8
(D)9。
0討論
0留言
0追蹤
問題討論
20. 如圖所示電路,V
ab
為多少伏特?
(A)15
(B)20
(C)25
(D)45。
0討論
0留言
0追蹤
問題討論
21. 50匝線圈電感器通過2安培電流時,產生0.2韋伯的磁通量,該線圈儲存的能量為多少焦耳?
(A)5
(B)10
(C)20
(D)40。
0討論
0留言
0追蹤
問題討論
22. 1000匝線圈通過電流2安培時,儲能為2焦耳,若在同一磁路中將該線圈之匝數增加200匝後通以相同的電流,則儲能變為多少焦耳?
(A)1.67
(B)2.4
(C)2.88
(D)3.12。
0討論
0留言
0追蹤
問題討論
23. 有兩平行金屬板分別接到一個電池的兩端,若金屬板的面積增加為10倍,且板距增加為2倍,則兩平行板間的電場會增加為原來的多少倍?
(A)
(B)
(C)2
(D)10。
0討論
0留言
0追蹤
問題討論
24. 空間中有一均勻電場,電場的強度為0.5牛頓/庫侖,其方向平行於直角坐標的y軸。若A點的座標為(3公尺,2公尺,0公尺),B點座標為(5公尺,10公尺,6公尺),試問AB兩點間的電位差為多少伏特?
(A)6
(B)4
(C)3
(D)2。
0討論
0留言
0追蹤
問題討論
25. 若線長1公尺通有20A之導線,置於磁通密度為0.8Wb/m
2
之均勻磁場中,設導線電流方向與磁場平行,則導線受力為何?
(A)0牛頓
(B)10牛頓
(C)15牛頓
(D)30牛頓。
0討論
0留言
0追蹤
問題討論
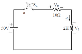
26. 如下圖所示,當時間t=0時,將開關S
L
置於a點,設電感電流i
L
的初值為零,此電感電流i
L
響應為多少安培?
(A)
(B)5(1-
)
(C)
(D)5(1-
)。
0討論
0留言
0追蹤
問題討論
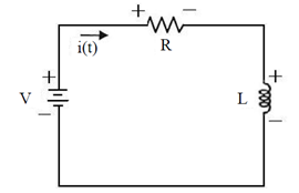
27. 如圖所示之RL電路,其中R=100Ω(歐姆),L=0.1H(亨利),V=5V(伏特),且初始條件i(0)=0,當t=2毫秒時,求電流i(t)之值約為多少毫安培(mA)?(常用近似值:e
-
1
=0.369,e
-
2
=0.135,e
-
3
=0.05,e
-
4
=0.02,e
-
5
=0.01)
(A)5.75
(B)10.25
(C)25.25
(D)43.25。
0討論
0留言
0追蹤
問題討論
28. 一0.02F電容之電壓10V經一電阻8Ω放電,當放電至電流為0.4A時所需之時間為何?
(A)0.04秒
(B)0.18秒
(C)0.52秒
(D)0.72秒。
0討論
0留言
0追蹤
問題討論
29. 有一陶瓷電容器上,標示“105”,則其電容量為何?
(A)0.1μF
(B)0.001μF
(C)0.01μF
(D)1μF。
0討論
0留言
0追蹤
問題討論
30. 電感值為2亨利的電感器,若其流過之電流由1.5安培上升至2.5安培,則此電感器所儲存的能量將增加多少焦耳?
(A)8
(B)4
(C)2
(D)1。
0討論
0留言
0追蹤
問題討論
31. 圖示電壓波形之有效值為何?
(A)24伏特
(B)12伏特
(C)7.2伏特
(D)6伏特。
0討論
0留言
0追蹤
問題討論
32. 圖示週期性電壓波形之有效值為何?
(A)75.43伏特
(B)57.73伏特
(C)70.71伏特
(D)74.53伏特。
0討論
0留言
0追蹤
問題討論
33. 有一負載為6Ω電阻與200μF電容並聯而組成,問在120V/60Hz之下的虛功率約為多少?
(A)0.82kvar
(B)1.09kvar
(C)2.4kvar
(D)3.49kvar。
0討論
0留言
0追蹤
問題討論
34. 如圖示之RC並聯電路,若交流電源之頻率為2kHz,R=2Ω,C=50μF,求交流導納Y=1/Z
T
之大小| Y |約為多少??
(A)1
(B)0.8
(C)0.6
(D)0.9。
0討論
0留言
0追蹤
問題討論
35. 如圖示之RLC串聯電路,若交流電源之頻率為1kHz,V=10伏特,θ=0°,R=20Ω,C=5μF,L=10mH,求交流阻抗Z
T
之相位角約為多少?
(A)tan
-
1
1.55
(B)tan
-
1
-1.55
(C)tan
-
1
3.1
(D)tan
-
1
-3.1。
0討論
0留言
0追蹤
問題討論
36. 有一交流電路之電壓v(t)=-100sin(377t-15°)V、電流i(t)=10cos(377t+15°)A,則其平均功率為何?
(A)250瓦
(B)500瓦
(C)750瓦
(D)1000瓦。
0討論
0留言
0追蹤
問題討論
37. 弦波電流源i
S
驅動的RLC並聯諧振電路,已知R=1kΩ、L=1mH、C=0.01mF,則該諧振電路之優質參數(或品質因數)Q為何?
(A)1
(B)10
(C)100
(D)1000。
0討論
0留言
0追蹤
問題討論
38. 由弦波電流源i
S
所驅動之RLC並聯諧振電路的品質因數、3分貝頻寬、諧振頻率、諧振時阻抗分別為Q
0
、BW
0
、ω
0
、Z
0
,當電阻R改成原來的兩倍時,相對應的值分別為Q
1
、BW
1
、ω
1
、Z
1
,則下列選項何者正確?
(A)BW
1
=BW
0
(B)Q
1
=2Q
0
(C)ω
1
=2ω
0
(D)Z
1
=Z
0
。
0討論
0留言
0追蹤
問題討論
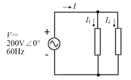
39. 如圖所示,由兩並聯電路接成之負載,假設:I
1
=3∠0° (A),I
2
=4∠90° (A),此負載之功率因數為何?
(A)0.6超前
(B)0.8落後
(C)0.6落後
(D)0.8超前。
0討論
0留言
0追蹤
問題討論
40. 如圖電路所示,R
L
為可變電阻,若電源v(t)=
伏特,R
L
之消耗最大功率為多少瓦特?
(A)1600
(B)1800
(C)2400
(D)3200。
愛舉手問答平台