新手上路
主題
主題
全部主題
學習法
學習方法 (215)
公職考試
高普考 (556)
鐵路特考 (916)
初等/地方特考 (351)
司法特考 (53)
移民特考 (10)
關務/稅務特考 (55)
民航特考 (20)
國安局/調查局 (14)
身心障礙特考 (36)
原住民特考 (12)
外交特考 (10)
海巡特考 (7)
就業考試
中華郵政 (1440)
捷運公司 (146)
銀行考試 (240)
農漁會 (58)
國營事業 (213)
中華電信 (85)
台電公司 (157)
臺灣菸酒 (162)
中油公司 (180)
自來水公司 (101)
中鋼/中鋁/中龍鋼/中碳 (67)
農田水利會 (75)
漢翔航空 (31)
臺灣港務公司 (36)
台糖公司 (27)
其他 (108)
金融證照
期貨/證券 (57)
投信投顧/信託 (13)
理財規劃 (25)
內控 (4)
授信/外匯 (6)
債券/票券 (1)
股務人員 (1)
專技/技術證照
導遊領隊 (45)
記帳士 (7)
不動產經紀人 (13)
地政士 (7)
消防設備人員 (4)
報關人員 (5)
技術士檢定 (35)
社工師 (5)
食品技師 (6)
人身保險業務員 (5)
軍警考試
一般警察/警察特考 (101)
警專/警大 (33)
軍士官/預官 (9)
軍校招考 (12)
升學考試
升高中 (11)
升大學/轉學考 (34)
升科大四技 (5)
研究所 (6)
國貿類
國貿大會考 (3)
專責報關人員 (0)
教育師資
公幼教保人員 (8)
公幼教師甄選 (2)
教師甄試 (14)
語言檢定
全民英檢 (5)
TOEIC多益 (5)
資訊平台
就業資訊 (8)
金融議題 (1)
鼎文學員專區
密集班 (0)
一般班 (0)
其他
其他 (3639)
老師
發問
登入
註冊
自來水公司考古題 高中(職)土木及水管埋設施工 (收錄104年~108年歷屆試題,每次隨機抽取50題)
自來水公司考古題
高中(職)土木及水管埋設施工 (收錄104年~108年歷屆試題,每次隨機抽取50題)
主題分類
學習法
學習方法
公職考試
高普考
鐵路特考
初等/地方特考
司法特考
移民特考
關務/稅務特考
民航特考
國安局/調查局
身心障礙特考
原住民特考
外交特考
海巡特考
就業考試
中華郵政
捷運公司
銀行考試
農漁會
國營事業
中華電信
台電公司
臺灣菸酒
中油公司
自來水公司
中鋼/中鋁/中龍鋼/中碳
農田水利會
漢翔航空
臺灣港務公司
台糖公司
其他
金融證照
期貨/證券
投信投顧/信託
理財規劃
內控
授信/外匯
債券/票券
股務人員
專技/技術證照
導遊領隊
記帳士
不動產經紀人
地政士
消防設備人員
報關人員
技術士檢定
社工師
食品技師
人身保險業務員
軍警考試
一般警察/警察特考
警專/警大
軍士官/預官
軍校招考
升學考試
升高中
升大學/轉學考
升科大四技
研究所
國貿類
國貿大會考
專責報關人員
教育師資
公幼教保人員
公幼教師甄選
教師甄試
語言檢定
全民英檢
TOEIC多益
資訊平台
就業資訊
金融議題
鼎文學員專區
密集班
一般班
其他
其他
0討論
0留言
0追蹤
問題討論
1. 依CNS材料、構造圖例規定,下列何者錯誤? (104年度考題)
(A)石材
(B)輕質牆
(C)玻璃
(D)合板
0討論
0留言
0追蹤
問題討論
2. A1圖紙面積為B4圖紙面積的多少倍? (104年度考題)
(A)8倍
(B)5.33倍
(C)3倍
(D)2.67倍。
0討論
0留言
0追蹤
問題討論
3. 有關「線條」的繪製原則,下列敘述何者正確? (104年度考題)
(A)當不同類型線條重疊時,優先順序應為:虛線、粗實線、尺度線、折斷線
(B)隱藏線,應以粗虛線繪製
(C)尺度線及尺度界線,應以細實線繪製
(D)虛線與實線成ㄒ型相交時,其交點應留出空隙,對不可相交。
0討論
0留言
0追蹤
問題討論
4. 有關工程字之規定,下列敘述何者錯誤? (104年度考題)
(A)中文字體有方形、長形及寬形三種
(B)中文字字與字之間隔為字高1/8倍,行與行之間隔為字高的1/3倍
(C)英文字母分為直式及斜式兩種,斜式之傾斜角度為75°
(D)數字筆劃粗細為字高之1/15,行與行之間隔為字高的1/2倍。
0討論
0留言
0追蹤
問題討論
5. 依CNS給水、排水及衛生設備圖之符號規定,下列何者是飲水管符號? (104年度考題)
(A)─D─
(B)─RD─
(C)─DWS─
(D)─DWR─。
0討論
0留言
0追蹤
問題討論
6. 有關尺度標註之敘述,下列何者錯誤? (104年度考題)
(A)箭頭指示尺度開始和結束的位置,尺度過小可將箭頭移至尺度界線外側,相鄰尺度過小可以小圓點代替
(B)依CNS規定,通常尺度線應與尺度界線成垂直,距離尺度界線末端應留約2~3mm
(C)若遇有多個連續狹窄部位在同一尺度線上,其尺度數字可以高低兩排交錯書寫之
(D)長度的尺度標註,不論標註部位寬窄,箭頭均不得畫在尺度界線外側。
0討論
0留言
0追蹤
問題討論
7. 如圖所示,下列何者為此三視圖之立體圖?
(104年度考題)
(A)
(B)
(C)
(D)
0討論
0留言
0追蹤
問題討論
8. 有關建築製圖之常用文字簡寫符號,下列何者正確? (104年度考題)
(A)CIP鋼筋混凝土管
(B)GIP鍍鋅鋼板
(C)SSP不銹鋼管
(D)?半徑。
0討論
0留言
0追蹤
問題討論
9. 有一長方形其寬為b高為h,若現在高變為原本的4倍,寬變為原本的1/2倍,那形心軸慣性矩變為原來的幾倍? (104年度考題)
(A)8倍
(B)16倍
(C)32倍
(D)64倍。
0討論
0留言
0追蹤
問題討論
10. 某60kg的物體在一水平面上直線運動,物體與運動面間的動摩擦係數為0.2,請問摩擦力約為何? (104年度考題)
(A)101N
(B)107N
(C)118N
(D)125N。
0討論
0留言
0追蹤
問題討論
11. 有一簡支梁如圖所示,請求A點及B點的反力應為若干N?
(104年度考題)
(A)R
A
=5N(↓)、R
B
=25N(↑)
(B)R
A
=10N(↑)、R
B
=10N(↑)
(C)R
A
=10N(↑)、R
B
=20N(↑)
(D)R
A
=0N、R
B
=20N(↑)。
0討論
0留言
0追蹤
問題討論
12. 有關向量與純量之敘述,下列何者全部皆為純量? (104年度考題)
(A)重量、功、慣性矩
(B)加速度、面積、動量
(C)位移、體積、力偶
(D)溫度、慣性矩、能。
0討論
0留言
0追蹤
問題討論
13. 下列何者不是水泥細度的試驗方法? (104年度考題)
(A)篩析法
(B)華格納式濁度計法
(C)布蘭氏氣透儀法
(D)費開針法。
0討論
0留言
0追蹤
問題討論
14. 有關相同配比之各種混凝土強度大小依序排列,下列何者正確? (104年度考題)
(A)抗彎強度>抗壓強度>抗剪強度>抗拉強度
(B)抗壓強度>抗彎強度>抗剪強度>抗拉強度
(C)抗壓強度>抗剪強度>抗彎強度>抗拉強度
(D)抗彎強度>抗壓強度>抗拉強度>抗剪強度。
0討論
0留言
0追蹤
問題討論
15. 有關玻璃纖維強化塑膠之敘述,下列何者錯誤? (104年度考題)
(A)玻璃纖維強化塑膠是一種複合材料,由美國開發出來
(B)簡稱ABS,又名塑膠鋼、塑鋼
(C)製造原理是在柔軟而富有延性的基材上加入強勁而富剛性的纖維,達到改善強度、勁度及疲勞抵抗的目的
(D)玻璃纖維強化塑膠號稱「比鋁輕、比鐵強」,用途廣泛。
0討論
0留言
0追蹤
問題討論
16. 將10塊紅磚浸於水中24小時,取出擦乾其表面稱得平均重為3.1kg,再將磚烘乾後稱得其平均重為2.8kg,則此紅磚之吸水率為: (104年度考題)
(A)0.97%
(B)0.107%
(C)9.7%
(D)10.7%。
0討論
0留言
0追蹤
問題討論
17. 今測一水平角度為179°59' 35",而後倒鏡角度為359°59' 25",請求角度誤差為何? (104年度考題)
(A)5"
(B)10"
(C)15"
(D)20"。
0討論
0留言
0追蹤
問題討論
18. 有關水準儀之各軸關係,下列何者正確? (104年度考題)
(A)視準軸⊥水準軸
(B)直立軸//視準軸
(C)直立軸⊥水準軸
(D)直立軸//水準軸。
0討論
0留言
0追蹤
問題討論
19. 有關交會定位法,在已知兩個點架設經緯儀,測量一未知點,是屬於下列何種測法? (104年度考題)
(A)前方交會法
(B)側方交會法
(C)後方交會法
(D)兩點法。
0討論
0留言
0追蹤
問題討論
20. 有關測量中準確度、精確度之關係,若以打靶結果來說明,下列何者代表準確度低、精確度高? (104年度考題)
(A)
(B)
(C)
(D)
0討論
0留言
0追蹤
問題討論
21. 溫度的驟變造成鋼捲尺的伸長與縮短是屬於下列何種誤差? (104年度考題)
(A)系統誤差
(B)儀器誤差
(C)偶然誤差
(D)人為誤差。
0討論
0留言
0追蹤
問題討論
22. 衛星定位系統(簡稱GPS)是利用下列何種測量原理求取座標? (104年度考題)
(A)兩點法
(B)三點法
(C)前方交會法
(D)後方交會法。
0討論
0留言
0追蹤
問題討論
23. 有關等高線之特性敘述,下列何者錯誤? (104年度考題)
(A)同一等高線上各點高度必定相等
(B)任一等高線必然閉合,但不一定在圖幅內閉合
(C)等高線愈密,表示坡度愈緩
(D)山峰、谷地等等高線必成一內圈。
0討論
0留言
0追蹤
問題討論
24. 如圖所示之鋼筋之應力應變圖,請問C點為何?
(104年度考題)
(A)彈性限度
(B)降伏強度
(C)極限抗拉強度
(D)破壞強度。
0討論
0留言
0追蹤
問題討論
25. 基礎分為直接基礎及間接基礎,下列基礎何者屬於間接基礎? (104年度考題)
(A)獨立基礎
(B)聯合基礎
(C)筏式基礎
(D)樁基礎。
0討論
0留言
0追蹤
問題討論
26. 管線圖中,用以表示碳鋼管之符號為: (104年度考題)
(A)PBP
(B)SGP
(C)SSP
(D)PVCP。
0討論
0留言
0追蹤
問題討論
27. 俗稱之4分GIP,指的是: (104年度考題)
(A)標稱管徑為1/2"的鍍鋅鋼管
(B)標稱管徑為1/2"的不鏽鋼管
(C)標稱管徑為1/4"的鍍鋅鋼管
(D)標稱管徑為1/4"的不鏽鋼管。
0討論
0留言
0追蹤
問題討論
28. 下列有關各種閥之敘述,何者錯誤? (104年度考題)
(A)使用於輸送流體之管路,藉以截斷水流的是制水閥
(B)利用浮球之升降來控制水池進水的是浮球閥
(C)安裝於水管較高處以便自動排洩管內空氣,以免阻礙流水的是安全閥
(D)在管路系統中,流體以直線穿過閥孔,且常使於全開或全關場合的閥是閘閥。
0討論
0留言
0追蹤
問題討論
29. 管徑150公厘之排水管,其清理口之口徑最小應為多少公厘? (104年度考題)
(A)50公厘
(B)100公厘
(C)150公厘
(D)200公厘。
0討論
0留言
0追蹤
問題討論
30. 下列有關管之加工的敘述,何者錯誤? (104年度考題)
(A)2"鋼管之彎曲應使用手動彎管器
(B)鋼管切斷後,可以使用管鉸刀清理管口之毛邊
(C)20公厘鋼管之標準鉸牙數為11牙
(D)鋼管熱彎之加熱溫度為750℃~850℃。
0討論
0留言
0追蹤
問題討論
31. 計算圖中所示之管長為若干mm?
(104年度考題)
(A)326mm
(B)346mm
(C)366mm
(D)386mm。
0討論
0留言
0追蹤
問題討論
32. 下列有關管線與管架裝置的敘述,何者錯誤? (104年度考題)
(A)先裝置主管架再配管
(B)排列時大口徑管在管架內側
(C)管架上管線間須有適當之間隔
(D)雙層管架時,公用設施管線應在下層。
0討論
0留言
0追蹤
問題討論
33. 如圖所示之管路中,不包括:
(104年度考題)
(A)直管
(B)三通
(C)給水栓
(D)彎頭。
0討論
0留言
0追蹤
問題討論
34. 下列有關配管之工作進度,何者正確? (104年度考題)
(A)管溝開挖→管線裝接→管路試壓→管路消毒→管溝回填
(B)管溝開挖→管線裝接→管溝回填→管路試壓→管路消毒
(C)管溝開挖→管線裝接→管路消毒→管路試壓→管溝回填
(D)管溝開挖→管線裝接→管溝回填→管路消毒→管路試壓。
0討論
0留言
0追蹤
問題討論
35. 計算圖中所示之大跨越管AB管長為若干mm?
(104年度考題)
(A)802mm
(B)847mm
(C)868mm
(D)892mm。
0討論
0留言
0追蹤
問題討論
36. 如圖所示為何種管接合方法?
(104年度考題)
(A)凸緣接合
(B)螺紋接合
(C)熔接接合
(D)插承接合。
0討論
0留言
0追蹤
問題討論
37. 下列有關自來水管埋設工程之敘述中,何者錯誤? (104年度考題)
(A)自來水管應盡量埋設於道路中央
(B)窄小道路上,自來水管之埋設應避開車輛經常輾壓位置
(C)自來水管與其他埋設物交叉或緊臨時,至少應保持30公分距離
(D)自來水管埋設於陡坡時,應設置擋土壁,防止管線滑動及覆土之流失。
0討論
0留言
0追蹤
問題討論
38. 自來水用延性鑄鐵管之最高許可使用壓力為: (104年度考題)
(A)6.0kgf/cm
2
(B)7.5kgf/cm
2
(C)10.0kgf/cm
2
(D)15.0kgf/cm
2
。
0討論
0留言
0追蹤
問題討論
39. 管線之埋設深度(其管頂至路面之距離),除道路管理機關另有規定埋設深度得從其規定外,下列得參照之辦理原則中,何者錯誤? (104年度考題)
(A)在人行道下時,不得少於50cm
(B)在巷道(寬度小於2.5m者)下時,不得少於70cm
(C)在慢車道或次要公路下時,不得少於100cm
(D)地形情況特殊經加作RC保護管線者可減至10cm。
0討論
0留言
0追蹤
問題討論
40. 下列有關電銲銲道目視檢查之檢查重點,何者敘述錯誤? (104年度考題)
(A)銲道面不得有裂縫
(B)銲道面須與母材表面平順相接不得重疊
(C)銲冠凸面高度必須超過3mm,具凹陷部份要等於或高於母材
(D)母材厚度小於25mm者,其銲蝕深度不得超過1mm,母材厚度大於25mm(含)者,其銲蝕深度不得超過1.6mm。
0討論
0留言
0追蹤
問題討論
41. 下列何者不屬於原管焊接處及接口焊接處檢測時之檢查? (104年度考題)
(A)外觀檢查
(B)比重檢查
(C)非破壞探傷檢測
(D)X光檢查。
0討論
0留言
0追蹤
問題討論
42. 人孔蓋組立且完成回填及舖面後,須實施防異音功能測試,測試時需採用20噸卡車,以至少多少以上的時速進行輾壓測試? (104年度考題)
(A)10km
(B)20km
(C)30km
(D)40km。
0討論
0留言
0追蹤
問題討論
43. 管內之水頭損失,與管內液體平均流速之關係是: (104年度考題)
(A)成正比
(B)成反比
(C)平方成正比
(D)平方成反比。
0討論
0留言
0追蹤
問題討論
44. 排水管清理口不應設置在: (104年度考題)
(A)排水立管最低處
(B)橫向排水管延伸太長之中間位置處
(C)排水橫主管之終點處
(D)排水管變換方向角度大於45度處。
0討論
0留言
0追蹤
問題討論
45. ψ50mm塑膠管之標準插入長度為多少? (104年度考題)
(A)30mm
(B)40mm
(C)45mm
(D)70mm。
0討論
0留言
0追蹤
問題討論
46. 如圖所示之雙線圖為何種螺紋管件?
(104年度考題)
(A)三通閥
(B)角閥
(C)閘閥
(D)球閥。
0討論
0留言
0追蹤
問題討論
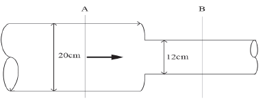
47. 若水流經圖大管徑(直徑20cm)之A截面時流速為10m/sec,則流經小管徑(直徑12cm)之B截面時之流速為若干m/sec?
(104年度考題)
(A)3.6m/sec
(B)6.0m/sec
(C)16.7m/sec
(D)27.7m/sec。
0討論
0留言
0追蹤
問題討論
48. 原水輸水管裸露部份之油漆顏色,除另有規定者外,應為何色? (104年度考題)
(A)白
(B)奶黃
(C)橘紅
(D)茶栗。
0討論
0留言
0追蹤
問題討論
49. 從事局限空間作業時,下列需確保符合之作業環境規定,何者錯誤? (104年度考題)
(A)空氣中氧氣含量不得低於19.5%或高於23%
(B)硫化氫濃度不得超過30ppm
(C)易燃液體之蒸氣或可燃性氣體之濃度不得超過其爆炸下限之30%
(D)空氣中有害物濃度不得超過勞工作業環境空氣中有害物容許濃度標準。
0討論
0留言
0追蹤
問題討論
50. 工程管理的四個步驟為: (104年度考題)
(A)計劃→行動→檢討→實施
(B)實施→檢討→計劃→行動
(C)檢討→計劃→行動→實施
(D)計劃→實施→檢討→行動。
0討論
0留言
0追蹤
問題討論
51. 「美國混凝土學會」之簡稱為: (105年度考題)
(A)ASTM
(B)PCA
(C)ACI
(D)AASHTO。
0討論
0留言
0追蹤
問題討論
52. 水泥製造時添加「石膏」,是為了防止水泥水化過程中何種化合物之急凝作用? (105年度考題)
(A)矽酸三鈣
(B)矽酸二鈣
(C)鋁酸三鈣
(D)鋁鐵酸四鈣。
0討論
0留言
0追蹤
問題討論
53. 依據CNS 486規定,測定粒料級配之標準篩中,#16篩之篩孔淨距為: (105年度考題)
(A)6.35mm
(B)4.76mm
(C)2.59mm
(D)1.19mm。
0討論
0留言
0追蹤
問題討論
54. 道路進行管溝埋設工程,開挖後所使用的混凝土回填材料,稱為: (105年度考題)
(A)HSC
(B)HPC
(C)RCC
(D)CLSM。
0討論
0留言
0追蹤
問題討論
55. 石材是依據下列何種標準,分為硬石、半硬石、軟石? (105年度考題)
(A)比重
(B)硬度
(C)吸水率
(D)抗壓強度。
0討論
0留言
0追蹤
問題討論
56. 依據CNS 382規定,紅磚(普通磚)之標準尺寸,其長*寬*高為: (105年度考題)
(A)200mm*95mm*53mm
(B)210mm*95mm*58mm
(C)210mm*100mm*55mm
(D)230mm*110mm*60mm。
0討論
0留言
0追蹤
問題討論
57. 下列何種瀝青材料可於常溫下施工,但易造成空氣汙染,且溫度須控制得宜避免發生危險? (105年度考題)
(A)橡膠瀝青
(B)油溶瀝青
(C)吹製瀝青
(D)乳化瀝青。
0討論
0留言
0追蹤
問題討論
58. 測定某石油地瀝青之軟硬程度時,若其針入度為200,表示試針之貫入深度為: (105年度考題)
(A)0.2mm
(B)2mm
(C)20mm
(D)200mm。
0討論
0留言
0追蹤
問題討論
59. 木材之比重常因含水狀態不同而產生變化,而在木材之加工與使用上,以何種比重最為重要? (105年度考題)
(A)生木比重
(B)氣乾比重
(C)纖維飽和比重
(D)絕對乾燥比重。
0討論
0留言
0追蹤
問題討論
60. 下列何種塑膠材料簡稱PVC? (105年度考題)
(A)聚氯乙烯
(B)聚苯乙烯
(C)聚乙烯
(D)聚丙烯。
0討論
0留言
0追蹤
問題討論
61. 某竹節鋼筋之標稱直徑為「四分之三英吋」,表示此鋼筋為幾號鋼筋? (105年度考題)
(A)#8
(B)#6
(C)#4
(D)#3。
0討論
0留言
0追蹤
問題討論
62. 下列何種鋼材冶煉方法之一次產量最大,冶煉時間較長,可降低鋼中之磷、硫等雜質? (105年度考題)
(A)平爐法
(B)轉爐法
(C)電爐法
(D)高爐法。
0討論
0留言
0追蹤
問題討論
63. 某微傾水準儀之水準管靈敏度為20
"
/2mm,以此儀器觀測距離50公尺之水準標尺。當儀器水平時,讀數為1.368m,若調整水準氣泡朝目鏡偏移3格,則讀數應為多少? (105年度考題)
(A)1.334m
(B)1.353m
(C)1.367m
(D)1.383m。
0討論
0留言
0追蹤
問題討論
64. 使用30m長卷尺,量得A、B兩點間的距離為241.257m,經與標準尺比較,發現此卷尺較標準尺短0.02m。則A、B間之距離應修正為: (105年度考題)
(A)241.096m
(B)241.418m
(C)241.259m
(D)241.255m。
0討論
0留言
0追蹤
問題討論
65. 某經緯儀之垂直度盤為天頂距式,將儀器整置於A點,觀測B點縱角正鏡讀數為113 25
'
58
"
,倒鏡讀數為246 34
'
28
"
,若觀測過程中無人為誤差,則下列敘述何者正確? (105年度考題)
(A)垂直角=仰角113 25
'
58
"
(B)垂直角=俯角23 26
'
11
"
(C)天頂距=23 25
'
45
"
(D)垂直度盤指標差=+13
"
。
0討論
0留言
0追蹤
問題討論
66. 現場有A、B、C三點,已知AB方向角為S50°E,AC方向角為N65°E,則∠BAC為: (105年度考題)
(A)305°
(B)295°
(C)115°
(D)60°。
0討論
0留言
0追蹤
問題討論
67. GPS測量作業前,若設定高度截止角(Cut-Off angle)=10°,其目的為: (105年度考題)
(A)只接收儀器水平夾角±10°間的觀測量
(B)只接收仰角小於10°以內的觀測量
(C)需濾除仰角小於10°以內的觀測量
(D)需濾除仰角大於10°的觀測量。
0討論
0留言
0追蹤
問題討論
68. 某圓形斷面鋼桿,降伏應力為320MPa,使其承受軸向拉力(18π)kN而不破壞,取安全因數n=4,則此鋼桿之直徑至少須為多少cm? (105年度考題)
(A)1cm
(B)2cm
(C)3cm
(D)6cm。
0討論
0留言
0追蹤
問題討論
69. 某正方形斷面鋼桿,其斷面邊長為20mm,彈性模數200GPa,蒲松比ν=0.3,於此桿件施加40kN之軸向拉力,則其斷面邊長應縮短多少mm? (105年度考題)
(A)0.003mm
(B)0.005mm
(C)0.008mm
(D)0.010mm。
0討論
0留言
0追蹤
問題討論
70. 某正方形斷面鋼桿,桿長為1m,斷面邊長為20mm,蒲松比ν=0.3,於此桿件施以軸向拉力,若產生軸向應變
=5*10
-4
,則此鋼桿之體積應增加多少mm
3
? (105年度考題)
(A)80mm
3
(B)100mm
3
(C)120mm
3
(D)160mm
3
。
0討論
0留言
0追蹤
問題討論
71. 某桿件斷面積為500mm
2
,受軸向拉力20kN作用,則桿件內最大剪應力面上之正交應力為: (105年度考題)
(A)10MPa
(B)20MPa
(C)30MPa
(D)40MPa。
0討論
0留言
0追蹤
問題討論
72. 某材料之體積彈性模數K(Modulus of elasticity of volume)為175GPa,蒲松比ν=0.4,則此材料之剪力彈性模數G(Modulus of elasticity in shear)應為: (105年度考題)
(A)25.5GPa
(B)37.5GPa
(C)62.5GPa
(D)87.5GPa。
0討論
0留言
0追蹤
問題討論
73. 兩支長度相同之簡支梁與懸臂梁,若整支梁均承受相同之均佈荷重w,簡支梁所產生之最大彎矩為M
1
,懸臂梁所產生之最大彎矩為M
2
,則M
1
:M
2
之比值為: (105年度考題)
(A)2
(B)1
(C)0.25
(D)0.2。
0討論
0留言
0追蹤
問題討論
74. 設簡支梁中各點與左端支承之距離為x,梁上某段長度之彎矩方程式為(5x
2
-8x)N-m,則該段梁上荷重情形應為: (105年度考題)
(A)10N/m之均佈荷重
(B)5N漸減之均變荷重
(C)10N-m之集中彎矩
(D)8N之集中荷重。
0討論
0留言
0追蹤
問題討論
75. 矩形梁之斷面尺寸為b*h,且h>b。於載重相同的情形下,將此梁分別採取「直式」與「橫式」兩種擺置方式,直式之梁深為h,梁寬為b,所產生之最大彎曲應力為
;橫式之梁深為b,梁寬為h,所產生之最大彎曲應力為
,則
:
為: (105年度考題)
(A)b:h
(B)h:b
(C)
:
(D)
:
。
0討論
0留言
0追蹤
問題討論
76. 下列何種材料屬於無機材料? (105年度考題)
(A)木材
(B)油漆
(C)水泥
(D)瀝青。
0討論
0留言
0追蹤
問題討論
77. 若工程須提早拆除模板時,可以使用波特蘭第幾型水泥? (105年度考題)
(A)第一型(Ⅰ)
(B)第二型(Ⅱ)
(C)第三型(Ⅲ)
(D)第四型(Ⅳ)。
0討論
0留言
0追蹤
問題討論
78. 水泥中氧化鎂含量太高,凝結時體積膨脹,使混凝土龜裂。因此,CNS61規定水泥中含氧化鎂含量不得超過多少比率? (105年度考題)
(A)3%
(B)4%
(C)5%
(D)6%。
0討論
0留言
0追蹤
問題討論
79. 水泥的單位體積重一般約為多少Kg/m
3
? (105年度考題)
(A)1500
(B)1800
(C)2300
(D)2400。
0討論
0留言
0追蹤
問題討論
80. 骨材的洛杉磯試驗主要在測試何種性質? (105年度考題)
(A)比重
(B)健性
(C)硬度
(D)坍度。
0討論
0留言
0追蹤
問題討論
81. 材料含水狀態分為四種,下列何者為面乾內飽和狀態?。 (105年度考題)
(A)
(B)
(C)
(D)
0討論
0留言
0追蹤
問題討論
82. 下列何種瀝青性質可表示瀝青軟硬程度及稠度大小? (105年度考題)
(A)針入度
(B)軟化點
(C)閃火點
(D)延展性。
0討論
0留言
0追蹤
問題討論
83. 下列何者不屬於混凝土非破壞性試驗? (105年度考題)
(A)抗壓試驗
(B)試錘試驗
(C)貫入試驗
(D)震動波試驗。
0討論
0留言
0追蹤
問題討論
84. 混凝土的強度包括抗壓強度、抗拉強度、抗彎強度及抗剪強度。上述各種強度之大小依序排列為何? (105年度考題)
(A)抗壓強度>抗拉強度>抗彎強度>抗剪強度
(B)抗壓強度>抗剪強度>抗彎強度>抗拉強度
(C)抗壓強度>抗彎強度>抗拉強度>抗剪強度
(D)抗拉強度>抗壓強度>抗剪強度>抗彎強度。
0討論
0留言
0追蹤
問題討論
85. 混凝土強度隨著齡期增加而增加,一般估計混凝土強度7天齡期之強度約為28天齡期之強度的比例? (105年度考題)
(A)1/3
(B)1/2
(C)2/3
(D)3/4。
0討論
0留言
0追蹤
問題討論
86. 空間共點非平行力系之平衡方程式有幾個? (105年度考題)
(A)1個
(B)2個
(C)3個
(D)4個。
0討論
0留言
0追蹤
問題討論
87. 將一力分解為垂直分力及水平分力,若垂直分力為力的1/2,則水平分力約為垂直分力的多少倍? (105年度考題)
(A)0.5
(B)0.866
(C)1
(D)1.732。
0討論
0留言
0追蹤
問題討論
88. 如圖所示一簡支樑,受30KN之集中載重作用,請問A點垂直反力應為多少KN?
(105年度考題)
(A)10
(B)15
(C)20
(D)30。
0討論
0留言
0追蹤
問題討論
89. 如圖所示桁架,請問下列桁架有多少根零桿?
(105年度考題)
(A)4
(B)5
(C)6
(D)7。
0討論
0留言
0追蹤
問題討論
90. 測量的三項基本觀測量為: (105年度考題)
(A)距離、方向、高程
(B)大小、方向、作用點
(C)角度、大小、距離
(D)方向、作用點、高程。
0討論
0留言
0追蹤
問題討論
91. 有關水準儀的檢驗與校正,為檢驗水準儀之水準軸垂直於直立軸,可使用下列何種校正法? (105年度考題)
(A)定樁法
(B)二次縱轉法
(C)半半校正法
(D)正倒鏡觀測法。
0討論
0留言
0追蹤
問題討論
92. 「地理資訊系統」為利用電腦將空間資料數位化管理,可應用於自來水管線管理,請問「地理資訊系統」英文簡稱為: (105年度考題)
(A)GPS
(B)GIS
(C)GAS
(D)DGPS。
0討論
0留言
0追蹤
問題討論
93. GPS的定位原理是在地面任一位置,接收衛星播送的訊號,求取衛星至該站距離,再利用下列何種定位概念,進而求取該站的座標? (105年度考題)
(A)前方交會法
(B)後方交會法
(C)側方交會法
(D)直線交會法。
0討論
0留言
0追蹤
問題討論
94. 有一方位角為300°,若要將此角度以方向角表示,應為下列何者? (105年度考題)
(A)W30°N
(B)N120°W
(C)S120°N
(D)N60°W。
0討論
0留言
0追蹤
問題討論
95. 如圖所示,在測站B對測點A、C做水平角量測,其量測記錄如下表,請問∠ABC為:
(105年度考題)
(A)124 10
'
00
"
(B)124 10
'
10
"
(C)124 10
'
15
"
(D)124 10
'
20
"
。
0討論
0留言
0追蹤
問題討論
96. 挖掘軟弱的黏土基地時,若開挖基地面以上的地基支承力,無法承受擋土壁之側向土壤載重時,易發生何種現象? (105年度考題)
(A)隆起
(B)砂湧
(C)液化
(D)沉陷。
0討論
0留言
0追蹤
問題討論
97. 利用基礎版結合地樑及地下室牆體,將結構物上部載重均勻的傳遞給承載層,此種基礎稱為: (105年度考題)
(A)獨立基礎
(B)聯合基礎
(C)連續基礎
(D)筏式基礎。
0討論
0留言
0追蹤
問題討論
98. 依CNS 11567標準,材料構造圖例
表示: (105年度考題)
(A)混凝土
(B)地面
(C)石材
(D)級配。
0討論
0留言
0追蹤
問題討論
99. 依CNS 11567標準,「給排水及衛生設備圖例」中
圖例表示: (105年度考題)
(A)閘閥
(B)控制閥
(C)溫度計
(D)球型閥。
0討論
0留言
0追蹤
問題討論
100. 雇主僱用勞工從事露天開挖作業,其垂直開挖最大深度應妥為設計,如其深度在多少公尺以上者,應設擋土支撐? (105年度考題)
(A)1公尺
(B)1.5公尺
(C)2公尺
(D)3公尺。
0討論
0留言
0追蹤
問題討論
101. 有關全球定位系統的描述,下列何者錯誤? (106年度考題)
(A)全球定位系統的英文縮寫為「GPS」
(B)衛星定位測量其定位高程是採用橢球高系統
(C)無線電波被障礙物所反射,導致定位不準確,屬於儀器誤差
(D)我國GPS誤差改正主要是依據內政部國土測繪中心建置之e-GPS系統。
0討論
0留言
0追蹤
問題討論
102. 如表所示,CD斷面間之填方體積為多少?
(106年度考題)
(A)0m
2
(B)62.737m
2
(C)142.913m
2
(D)158.111m
2
。
0討論
0留言
0追蹤
問題討論
103. 關於門窗材料的差異性,下列敘述何者正確? (106年度考題)
(A)木門窗有誤差時較易調整框樘尺寸
(B)鋼料門窗抗酸鹼度佳,無須刻意保養
(C)鋁門窗剛度強,若遇上衝擊則不易變形
(D)不鏽鋼料門窗施工,必須在表面塗裝油漆以避免反光。
0討論
0留言
0追蹤
問題討論
104. 「危險斷面」又稱為「臨界斷面」,下列敘述何者正確? (106年度考題)
(A)剪力等於零(V=0)處即是危險斷面
(B)簡支梁的危險斷面必發生在剪力圖之剪力由正變負處
(C)簡支梁的危險斷面必發生在剪力圖之剪力由負變正處
(D)當梁受力產生彎矩之絕對值為最大時之截面,即是危險斷面。
0討論
0留言
0追蹤
問題討論
105. 今有一捲尺的最長標示長度為50m,實際長度為49.985m,利用此捲尺測得甲、乙兩點位間的距離為41.820m,試問甲、乙兩點位之實際距離為多少? (106年度考題)
(A)41.805m
(B)41.807m
(C)41.833m
(D)41.835m。
0討論
0留言
0追蹤
問題討論
106. 參考【圖6】之立體圖,試問其俯視圖應為下列何者?
(106年度考題)
(A)
(B)
(C)
(D)
0討論
0留言
0追蹤
問題討論
107. 有一加工之岩石斷面如【圖7】,斷面半徑為6cm,中央空心正方形邊長為3cm,試問該斷面對x軸之慣性矩I
x
為多少?
(106年度考題)
(A)82.6cm
4
(B)990.9cm
4
(C)1,011.1cm
4
(D)5,062.4cm
4
。
0討論
0留言
0追蹤
問題討論
108. 瀝青防水工法是指加熱瀝青為液體後,與油毛氈並用做成防水層,又稱熱工法,其施工程序有四步驟:A.去除混凝土表面殘渣 B.張貼油毛氈 C.熔解瀝青並塗刷 D.刷底油使瀝青層與水泥砂漿層貼密,則施工順序應為何? (106年度考題)
(A)ABCD
(B)ACBD
(C)ACDB
(D)ADCB。
0討論
0留言
0追蹤
問題討論
109. 關於施工計畫之內容,不包含下列何者? (106年度考題)
(A)測量計畫
(B)假設工程計畫
(C)採購招標計畫
(D)環境保護執行計畫。
0討論
0留言
0追蹤
問題討論
110. 在架設模板的施工過程中,使用分隔器以達到下列何種目的? (106年度考題)
(A)利於快速拆模
(B)有效防止混凝土崩落
(C)維持正確之模板間隔
(D)確保鋼筋之間距不受移動。
0討論
0留言
0追蹤
問題討論
111. 在水準測量中,現有一觀測點,兼具前視與後視之功能,該站稱之為: (106年度考題)
(A)轉點
(B)導點
(C)中間點
(D)多視點。
0討論
0留言
0追蹤
問題討論
112. 依據中華民國國家標準,建造執照申請圖中各層的天花板淨高應標示於何處? (106年度考題)
(A)剖面圖
(B)配置圖
(C)立面圖
(D)現況圖。
0討論
0留言
0追蹤
問題討論
113. 下列選項當中,何者不屬於深基礎? (106年度考題)
(A)樁基礎
(B)沉箱基礎
(C)筏式基礎
(D)地下連續壁。
0討論
0留言
0追蹤
問題討論
114. 根據摩擦定律(庫倫定律),請判斷下列敘述何者正確? (106年度考題)
(A)滾動摩擦>最大靜摩擦力>動摩擦力
(B)滾動摩擦>動摩擦力>最大靜摩擦力
(C)最大靜摩擦力>滾動摩擦>動摩擦力
(D)最大靜摩擦力>動摩擦力>滾動摩擦。
0討論
0留言
0追蹤
問題討論
115. 興建攔砂壩的主要目的為下列何者? (106年度考題)
(A)攔截河道中沖刷下的砂石聚集於河流中段,供給興建與修復水庫使用
(B)攔截河道中沖刷下的砂石聚集於河流中段,以堆砌鄰近農地之灌溉溝渠
(C)攔截河道中沖刷下的淤泥,待淤泥累積定量後再行清除,以減少河流上游的淤積阻塞
(D)攔截河道中沖刷下的淤泥,待淤泥累積定量後再行清除,以減少河流下游的淤積阻塞。
0討論
0留言
0追蹤
問題討論
116. 依據建築技術規則,建築物每層陽臺面積之和,以不超過建築面積的多少為限? (106年度考題)
(A)1/6
(B)1/8
(C)1/9
(D)1/10。
0討論
0留言
0追蹤
問題討論
117. 施工中拌合密度較大之粒料,如赤鐵磺、廢鋼等以構成混凝土,下列目的何者錯誤? (106年度考題)
(A)增加單位體積重
(B)平衡重量之功用
(C)具隔熱隔音之作用
(D)具阻擋輻射線之功能。
0討論
0留言
0追蹤
問題討論
118. 按照建築技術規則之規定,混凝土最大粗粒料之尺寸,不得大於樓板厚度之多少? (106年度考題)
(A)1/3
(B)1/5
(C)1/6
(D)1/8。
0討論
0留言
0追蹤
問題討論
119. 有關水泥的重要成分中,熱量大、提供第一天的強度,是下列何種化合物? (106年度考題)
(A)矽酸二鈣(C
2
S)
(B)矽酸三鈣(C
3
S)
(C)鋁酸三鈣(C
3
A)
(D)鋁鐵酸四鈣(C
4
AF)。
0討論
0留言
0追蹤
問題討論
120. 有關鋼的熱處理,將鋼材加熱至完全退火的溫度,然後維持一段時間之後,取出置於水中或油中急速冷卻,可增大其硬度、強度,而韌性變差。此種處理稱為: (106年度考題)
(A)回火
(B)淬火
(C)退火
(D)正常化。
0討論
0留言
0追蹤
問題討論
121. 有關樹種,下列何種樹木屬於針葉樹? (106年度考題)
(A)銀杏
(B)樟木
(C)柚木
(D)楠木。
0討論
0留言
0追蹤
問題討論
122. 有關合力之求法,二力大小相等均為100kgw,且互相垂直,其合力為: (106年度考題)
(A)0
(B)100
(C)
(D)
。
0討論
0留言
0追蹤
問題討論
123. 塊石10塊,長3公尺,寬2公尺,厚1.5公尺,則材積為多少才? (106年度考題)
(A)90
(B)270
(C)1,620
(D)3,240。
0討論
0留言
0追蹤
問題討論
124. 一段距離使用布捲尺量測4次,所得之數據為70.24m、70.21m、67.53m、70.18m,試問此段距離之最或是值(平均值)為何? (106年度考題)
(A)67.53m
(B)69.54m
(C)70.18m
(D)70.21m。
0討論
0留言
0追蹤
問題討論
125. 管線埋設遇土質鬆軟或開挖深度多少公尺以上,必須酌打木樁或做適當擋土設施,以防崩塌? (106年度考題)
(A)0.5
(B)1.0
(C)1.5
(D)2.0。
0討論
0留言
0追蹤
問題討論
126. 骨材區分為粗骨材及細骨材,區分之依據是: (106年度考題)
(A)3/4"
(B)3/8"
(C)#4
(D)#8。
0討論
0留言
0追蹤
問題討論
127. 有關木材的膨脹與收縮,係是以什麼為界? (106年度考題)
(A)生木比重
(B)飽和比重
(C)面乾內飽和點
(D)纖維飽和點。
0討論
0留言
0追蹤
問題討論
128. 石材切割成不同的形狀,因應特殊的需求,如︰包圓柱、轉角收邊等,是在何種加工場製造? (106年度考題)
(A)第一加工場
(B)第二加工場
(C)異形加工場
(D)水刀加工場。
0討論
0留言
0追蹤
問題討論
129. 硬固混凝土的檢驗分為破壞及非破壞兩類,下列試驗中何者屬於破壞性試驗? (106年度考題)
(A)試錘試驗
(B)鑽心試體試驗
(C)貫入試驗
(D)震動波試驗。
0討論
0留言
0追蹤
問題討論
130. 下列瀝青的材料性質,何者用以表示瀝青軟硬程度及稠度大小? (106年度考題)
(A)黏度
(B)針入度
(C)軟化點
(D)閃火點。
0討論
0留言
0追蹤
問題討論
131. 下列何種玻璃是利用熱處理方式,將玻璃加熱到臨近軟化點溫度時,急速冷卻製造而成? (106年度考題)
(A)雙層玻璃
(B)膠合玻璃
(C)強化玻璃
(D)網線玻璃。
0討論
0留言
0追蹤
問題討論
132. 不銹鋼(Stainless Steel)是在碳鋼中加入合金元素製成,其最主要的合金元素為: (106年度考題)
(A)銅
(B)鉻
(C)鎳
(D)鈦。
0討論
0留言
0追蹤
問題討論
133. 有關材料性質中,材料抵抗磨損、刻劃、切割及穿透之能力,稱為: (106年度考題)
(A)硬度
(B)剛性
(C)韌性
(D)脆性。
0討論
0留言
0追蹤
問題討論
134. 有關磁磚的尺寸,一丁掛磚的尺寸為: (106年度考題)
(A)30*227mm
(B)60*227mm
(C)30*454mm
(D)60*454mm。
0討論
0留言
0追蹤
問題討論
135. 有關坍度試驗結果,可依其坍塌後之外觀區分為四種類型,下列何者是正常坍度之圖形? (106年度考題)
(A)
(B)
(C)
(D)
0討論
0留言
0追蹤
問題討論
136. 橋梁依結構方式分類,【圖1】為何種橋梁?
(107年度考題)
(A)懸吊式橋梁
(B)簡支式橋梁
(C)固定式橋梁
(D)懸臂式橋梁。
0討論
0留言
0追蹤
問題討論
137. 對於建築大水壩工程等之巨積混凝土,可使用下列何種波特蘭水泥? (107年度考題)
(A)第一型
(B)第二型
(C)第三型
(D)第四型。
0討論
0留言
0追蹤
問題討論
138. 依照地盤性質其適用之改良工法也會有所不同,其中下列何者「非」應用於黏土型地盤之改良工法? (107年度考題)
(A)生石灰樁工法
(B)砂墊法
(C)預壓密法
(D)固結灌漿法。
0討論
0留言
0追蹤
問題討論
139. 混凝土於施作過程中加入適量減水劑,最主要目的為何? (107年度考題)
(A)防止乾縮
(B)提高水密性
(C)提升工作性
(D)縮短硬化時間。
0討論
0留言
0追蹤
問題討論
140. 混凝土為凝膠材料、骨料和水按適當比例配置再經過一定時間硬化而成的,其中骨材在混凝土中之功用,下列何者錯誤? (107年度考題)
(A)增加混凝土之耐磨性
(B)提高混凝土之強度
(C)增加混凝土之水密性
(D)增加混凝土之體積變化。
0討論
0留言
0追蹤
問題討論
141. 基地開挖若採用邊坡式開挖,下列何項基地狀況並不適用? (107年度考題)
(A)基地為一般平地地形
(B)基地周圍地質狀況不具有地質弱帶
(C)基地地質不屬於疏鬆或軟弱地層
(D)高地下水位且透水性良好之砂質地層。
0討論
0留言
0追蹤
問題討論
142. 結構圖樣中的編號「S」代表建物哪一個部分之編號? (107年度考題)
(A)牆
(B)樓板
(C)大樑
(D)基腳。
0討論
0留言
0追蹤
問題討論
143. 建築製圖中常用建築材料圖例,下列何者為混凝土之符號代表? (107年度考題)
(A)
(B)
(C)
(D)
0討論
0留言
0追蹤
問題討論
144. 自來水管供水前須先接受水壓試驗,後再消毒才能供水。其水壓試驗與消毒步驟中,下列敘述何者錯誤? (107年度考題)
(A)水壓試驗前,應先排氣
(B)通水壓力試驗,其試驗壓力不得小於10kg/cm
2
(C)水管可能承受之最高壓力試驗,只需符合漏水量規定即合格
(D)消毒時,應由水管一端注入由另一端排出,使氯氣充分擴散到管線中。
0討論
0留言
0追蹤
問題討論
145. 一方塊在水平表面上,假設靜摩擦係數為μ,最大靜摩擦力為F,垂直力為N,水平推力為P,請問下列敘述何者錯誤? (107年度考題)
(A)當接觸面積越大時μ越大
(B)μ=F/N
(C)動摩擦力小於最大靜摩擦力
(D)摩擦係數為無因次量。
0討論
0留言
0追蹤
問題討論
146. 在基礎工程中,某工法為直接在地面上以特殊機具於導溝內挖掘深溝,並注入穩定液以穩定孔壁,而於深溝內放置鋼筋籠並灌入混凝土作為擋土牆之用,此工法係指下列何者? (107年度考題)
(A)鋼版樁
(B)排樁
(C)連續壁
(D)截水牆。
0討論
0留言
0追蹤
問題討論
147. 基礎種類型式之選定須依據地基狀態、土質強度、結構物種類及自重來進行,下列何者適合運用位於台北之高層建築物? (107年度考題)
(A)獨立基礎
(B)聯合基礎
(C)連續基礎
(D)筏式基礎。
0討論
0留言
0追蹤
問題討論
148. 依照物體圖【圖13】所示,下列何者「非」該物正確之正投影三視圖?
(107年度考題)
(A)
(B)
(C)
(D)
0討論
0留言
0追蹤
問題討論
149. 某工程圖比例為1:500,圖上量得某線段長為4cm,在製作1:250的圖上應繪作多少cm? (107年度考題)
(A)1cm
(B)2cm
(C)8cm
(D)16cm。
0討論
0留言
0追蹤
問題討論
150. 請問下列試驗何者適用於判斷瀝青材料是否適用於炎熱氣候之區域? (107年度考題)
(A)磨耗試驗
(B)軟化點試驗
(C)延展性試驗
(D)坍度試驗。
0討論
0留言
0追蹤
問題討論
151. 濃度單位10ppm氯水,代表500公升的水中含有多少公克的氯? (107年度考題)
(A)0.5公克
(B)2.5公克
(C)5公克
(D)10公克。
0討論
0留言
0追蹤
問題討論
152. 如【圖17】所示,簡支樑受一集中荷重P為2,000N,樑之斷面高為10cm,寬為6cm,試問此樑之最大抗彎應力為多少?
(107年度考題)
(A)10MPa
(B)20MPa
(C)33MPa
(D)40MPa。
0討論
0留言
0追蹤
問題討論
153. 由經緯儀測量某角度得到以下7個觀測值,剔除錯誤觀測量後,計算角度的平均值為下列何者?
33°22
'
11
"
;33°22
'
13
"
;33°22
'
12
"
;33°22
'
10
"
;33°22
'
14
"
;33°22
'
54
"
;33°22
'
12
"
(107年度考題)
(A)33°22
'
18
"
(B)33°22
'
15
"
(C)33°22
'
10
"
(D)33°22
'
12
"
。
0討論
0留言
0追蹤
問題討論
154. 有關混凝土坍度,下列何者為正常坍度? (107年度考題)
(A)
(B)
(C)
(D)
0討論
0留言
0追蹤
問題討論
155. 依據中華民國國家標準CNS 382規定,普通磚之尺寸為: (107年度考題)
(A)250×120×65mm
(B)240×115×55mm
(C)210×100×60mm
(D)200×95×53mm。
0討論
0留言
0追蹤
問題討論
156. 材料經反覆應力作用後,會使其低於極限強度或屈服強度時就產生破壞,此種現象稱為下列何者? (107年度考題)
(A)硬度
(B)潛變
(C)疲勞
(D)降伏。
0討論
0留言
0追蹤
問題討論
157. 有關瀝青材料等級分類,下列何種方法是測定瀝青材料軟硬程度,可作為分類之依據? (107年度考題)
(A)黏度
(B)比重
(C)熱膨脹係數
(D)針入度。
0討論
0留言
0追蹤
問題討論
158. 有關二力平衡條件,下列敘述何者錯誤? (107年度考題)
(A)二力共點
(B)方向相反
(C)大小相等
(D)作用線在同一直線上。
0討論
0留言
0追蹤
問題討論
159. 具有大小、方向之物理量稱為向量,下列何者屬於向量? (107年度考題)
(A)質量
(B)速率
(C)力矩
(D)慣性矩。
0討論
0留言
0追蹤
問題討論
160. 依中華民國國家標準CNS 11567規定,建築圖號中之「給水、排水及衛生設備圖」圖面英文代號為何? (107年度考題)
(A)L
(B)P
(C)M
(D)W。
0討論
0留言
0追蹤
問題討論
161. 有關玻璃之性質,其抵抗硬物割劃之能力,稱為: (107年度考題)
(A)硬度
(B)軟度
(C)強度
(D)撓度。
0討論
0留言
0追蹤
問題討論
162. 混凝土強度的檢驗可分為破壞性試驗與非破壞性試驗兩種,下列何者為破壞性試驗? (107年度考題)
(A)衝錘試驗
(B)貫入針試驗
(C)音波試驗
(D)鑽心試驗。
0討論
0留言
0追蹤
問題討論
163. 有關工程製圖之水平線畫法,畫水平線時鉛筆筆尖應靠近工作邊,畫線應緩慢旋轉鉛筆,使筆芯保持尖銳,以繪出粗細相同、濃淡一致的線條。過程中,鉛筆應向畫線方向傾斜,與桌面夾幾度角? (107年度考題)
(A)90°
(B)60°
(C)45°
(D)30°。
0討論
0留言
0追蹤
問題討論
164. 有關水泥之成分,下列何者含量越多,水泥的早期強度越高? (107年度考題)
(A)矽酸二鈣(C
2
S)
(B)矽酸三鈣(C
3
S)
(C)鋁酸三鈣(C
3
A)
(D)鋁鐵酸四鈣(C
4
AF)。
0討論
0留言
0追蹤
問題討論
165. 有關鋼鐵材料的熱處理,將鋼料加熱至適當溫度,保持適當時間後,再使其慢慢冷卻,此種過程稱為: (107年度考題)
(A)焠火
(B)回火
(C)退火
(D)正火。
0討論
0留言
0追蹤
問題討論
166. 有一桁架,如圖所示,請計算C點之支承反力為何?
(107年度考題)
(A)52.5N
(B)70N
(C)90N
(D)105N。
0討論
0留言
0追蹤
問題討論
167. 依中華民國國家標準CNS 11567規定,圖面中符號「
」代表的意義是: (107年度考題)
(A)逆止閥
(B)蝶閥
(C)閘閥
(D)控制閥。
0討論
0留言
0追蹤
問題討論
168. 挖掘軟弱的黏土基地時,若開挖基地面以上的地基支承力,無法承受擋土壁之側向土壤載重時,易發生開挖面什麼現象? (107年度考題)
(A)砂湧破壞
(B)地盤沉陷
(C)土壤隆起
(D)地層下陷。
0討論
0留言
0追蹤
問題討論
169. 木材的乾燥法可區分為天然乾燥法及人工乾燥法,下列何者屬於天然乾燥法? (107年度考題)
(A)煙燻乾燥法
(B)蒸氣乾燥法
(C)熱氣乾燥法
(D)水中乾燥法。
0討論
0留言
0追蹤
問題討論
170. 有關水準高程之計算,水準儀器設置於A、B兩點中間,A點為已知,A點高程為15.647m,觀測點A水準尺讀數為0.934m,觀測點B水準尺讀數為1.215m,則B點之高程為何? (107年度考題)
(A)14.432m
(B)15.366m
(C)15.928m
(D)16.862m。
0討論
0留言
0追蹤
問題討論
171. 如圖所示,AO桿與BO繩共同受一水平力P作用,若sinα=cosβ=X,cosα=sinβ=Y,則AO桿所受之壓力為何?
(108年度考題)
(A)
(B)
(C)
(D)
。
0討論
0留言
0追蹤
問題討論
172. 已知A點高程為100m,今於A點整置全站儀,觀測B點稜鏡覘標,測得傾斜距離為300m,天頂距為60°,儀器高度1.500m,覘標高度2.300m,則B點高程約為何? (108年度考題)
(A)249.200m
(B)359.000m
(C)272.400m
(D)618.815m。
0討論
0留言
0追蹤
問題討論
173. 工地中有一批粗粒料,經試驗測定其比重為2.65,單位重為2120kg/m
3
,則此批粗粒料之孔隙率約為何? (108年度考題)
(A)15%
(B)20%
(C)30%
(D)35%。
0討論
0留言
0追蹤
問題討論
174. 如圖所示,鉛直力300N對A點之力矩為何?
(108年度考題)
(A)960N-m
(B)1040N-m
(C)1260N-m
(D)1320N-m。
0討論
0留言
0追蹤
問題討論
175. 如圖所示,半圓形對底邊之迴轉半徑為何?
(108年度考題)
(A)
(B)
(C)
(D)
。
0討論
0留言
0追蹤
問題討論
176. 某坡度均勻的斜坡上有A、B兩點,其(E, N, H)坐標分為A(250, 980, 120)、B(410, 860, 200),則此斜坡之坡度應為何? (108年度考題)
(A)50%
(B)40%
(C)20%
(D)10%。
0討論
0留言
0追蹤
問題討論
177. 第Ⅲ型卜特蘭水泥中,下列何者為其含量最高之主要化合物? (108年度考題)
(A)矽酸三鈣、鋁酸三鈣
(B)矽酸二鈣、鋁鐵酸四鈣
(C)鋁酸三鈣、鋁鐵酸四鈣
(D)矽酸二鈣、矽酸三鈣。
0討論
0留言
0追蹤
問題討論
178. 卜特蘭水泥在煅燒完畢與熟料研磨的過程中,添加石膏之目的為何? (108年度考題)
(A)降低熟料煅燒溫度
(B)調節水泥凝結時間
(C)降低水泥游離石灰含量
(D)增加水泥水化強度。
0討論
0留言
0追蹤
問題討論
179. 如圖所示,A端為固定端,C點為銷接,B點有一集中力偶200N-m作用,則A點彎矩為何?
(108年度考題)
(A)1200N-m
(B)1000N-m
(C)900N-m
(D)800N-m。
0討論
0留言
0追蹤
問題討論
180. 如圖所示,一外伸梁受兩個P力作用,P=100N,則A點反力為何?
(108年度考題)
(A)75N(↓)
(B)75N(↑)
(C)120N(↓)
(D)120N(↑)。
0討論
0留言
0追蹤
問題討論
181. 如圖所示,材料受雙軸向拉應力作用,σ
x
=160MPa,σ
y
=64MPa,材料彈性係數E=2×10
4
MPa,蒲松比為0.25,則此材料在y方向之總應變為何?
(108年度考題)
(A)1.5×10
-
3
(B)1.2×10
-
3
(C)5×10
-
4
(D)-1.5×10
-
3
。
0討論
0留言
0追蹤
問題討論
182. 均質彈性材料之彈性模數為E,剪割彈性模數為G,蒲松比為μ,依照G=E/2(1+μ)與蒲松比之大小關係,則E與G兩者不可能產生下列何種關係? (108年度考題)
(A)E=3.5G
(B)E=3G
(C)E=2.5G
(D)E=2.7G。
0討論
0留言
0追蹤
問題討論
183. 使用30m捲尺測量A、B兩點距離,測得
=120m,已知此捲尺之實際長度為30.05m,則
之實際距離應為何? (108年度考題)
(A)119.80m
(B)119.90m
(C)120.10m
(D)120.20m。
0討論
0留言
0追蹤
問題討論
184. 已知A點平面坐標(E
A
, N
A
)與B點平面坐標(E
B
, N
B
),使用全站儀於A點觀測∠BAC,於C點觀測∠ACB,即可計算求得C點平面坐標(E
C
, N
C
),此種測量方法稱為下列何者? (108年度考題)
(A)前方交會法
(B)側方交會法
(C)後方交會法
(D)雙點定位法。
0討論
0留言
0追蹤
問題討論
185. 某閉合導線測量全長為900m,其經距閉合差為0.024m,緯距閉合差為-0.018m,則此導線測量之閉合比數為何? (108年度考題)
(A)1/10000
(B)1/20000
(C)1/25000
(D)1/30000。
0討論
0留言
0追蹤
問題討論
186. 在不添加附加劑的一般情形下,水泥漿之水灰比愈大,愈容易造成下列何種現象? (108年度考題)
(A)水泥強度增加
(B)凝結時間增加
(C)工作性降低
(D)水密性增加。
0討論
0留言
0追蹤
問題討論
187. CNS規定建築用普通磚之「抗壓強度」試體尺寸,其長×寬×高應為: (108年度考題)
(A)210mm×90mm×60mm
(B)100mm×95mm×53mm
(C)200mm×95mm×60mm
(D)95mm×95mm×53mm。
0討論
0留言
0追蹤
問題討論
188. 煉製鋼料時,若鋼的含碳量增加,會造成下列何種現象? (108年度考題)
(A)比熱降低
(B)電阻降低
(C)韌性降低
(D)比重增加。
0討論
0留言
0追蹤
問題討論
189. 水泥中某化合物之特性為水化熱低,水化速度慢,是水泥材料之長期強度之來源,水泥28天以後強度由其提供,請問此化合物為下列何者? (108年度考題)
(A)矽酸二鈣C
2
S
(B)矽酸三鈣C
3
S
(C)鋁酸三鈣C
3
A
(D)鋁鐵酸四鈣C
4
AF。
0討論
0留言
0追蹤
問題討論
190. 空間中有二力,其力之大小皆為50kgw,二力夾角為120°,則其合力之大小為何? (108年度考題)
(A)0kgw
(B)25kgw
(C)50kgw
(D)100kgw。
0討論
0留言
0追蹤
問題討論
191. 以卷尺進行量距,下列何者為系統誤差? (108年度考題)
(A)讀錯單位
(B)卷尺不水平
(C)對點不準確
(D)記錄錯誤。
0討論
0留言
0追蹤
問題討論
192. 瀝青材料由於溫度的增加,固體狀態逐漸軟化成為液態之分界點,稱為下列何者? (108年度考題)
(A)燃燒點
(B)軟化點
(C)針入度
(D)閃火點。
0討論
0留言
0追蹤
問題討論
193. 木材中濕度與大氣中濕度平衡時所測定之比重,稱為下列何者? (108年度考題)
(A)生木比重
(B)氣乾比重
(C)絕對乾燥比重
(D)飽和比重。
0討論
0留言
0追蹤
問題討論
194. 利用熱處理方式,將玻璃加熱到臨近軟化點溫度時,急速冷卻,致使玻璃表面因收縮較大而產生壓力,玻璃內部因收縮較小而產生拉力,因而增強玻璃強度,稱為下列何者? (108年度考題)
(A)膠合玻璃
(B)吸熱玻璃
(C)壓花玻璃
(D)強化玻璃。
0討論
0留言
0追蹤
問題討論
195. 基礎開挖面隨著開挖深度愈深,周圍土方側向土壓力,隨開挖深度而增加,為避免側向土方崩塌而危及鄰近結構物安全,於開挖面周圍設置何種設施? (108年度考題)
(A)抽水設施
(B)擋土設施
(C)保全設施
(D)警戒圍籬。
0討論
0留言
0追蹤
問題討論
196. 有關自來水管埋設原則,下列敘述何者錯誤? (108年度考題)
(A)埋設深度應依甲方(業主)規定或路權單位協議決定
(B)埋設在陡坡時,應設置擋土壁,防止管線滑動及覆土之流失
(C)窄小道路上,應避開車輛經常輾壓位置
(D)自來水管應儘量選道路中間埋設。
0討論
0留言
0追蹤
問題討論
197. 有關工程圖之分類,將施工時構件之詳細細節、尺寸、材料、施工法等,依正確比例繪製成圖面稱為下列何者? (108年度考題)
(A)構想圖
(B)設計圖
(C)施工圖
(D)竣工圖。
0討論
0留言
0追蹤
問題討論
198. 有關圖紙之尺寸,A3圖紙是A1圖紙的多少倍? (108年度考題)
(A)1/4
(B)1/2
(C)2
(D)4。
0討論
0留言
0追蹤
問題討論
199. 材料如長期承受反覆拉壓力作用,雖然應力並未超過極限強度,但材料仍會破壞,此種現象稱為下列何者? (108年度考題)
(A)潛變
(B)脆性
(C)頸縮
(D)疲勞。
0討論
0留言
0追蹤
問題討論
200. 在一定時間內,材料所吸收水分之重量與材料完全乾燥時重量之比值,稱為下列何者? (108年度考題)
(A)吸水率
(B)含水率
(C)透水率
(D)孔隙率。
愛舉手問答平台