新手上路
主題
主題
全部主題
學習法
學習方法 (215)
公職考試
高普考 (556)
鐵路特考 (916)
初等/地方特考 (351)
司法特考 (53)
移民特考 (10)
關務/稅務特考 (55)
民航特考 (20)
國安局/調查局 (14)
身心障礙特考 (36)
原住民特考 (12)
外交特考 (10)
海巡特考 (7)
就業考試
中華郵政 (1441)
捷運公司 (146)
銀行考試 (240)
農漁會 (58)
國營事業 (213)
中華電信 (86)
台電公司 (157)
臺灣菸酒 (162)
中油公司 (180)
自來水公司 (101)
中鋼/中鋁/中龍鋼/中碳 (67)
農田水利會 (75)
漢翔航空 (31)
臺灣港務公司 (36)
台糖公司 (27)
其他 (108)
金融證照
期貨/證券 (57)
投信投顧/信託 (13)
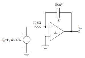
理財規劃 (25)
內控 (4)
授信/外匯 (6)
債券/票券 (1)
股務人員 (1)
專技/技術證照
導遊領隊 (45)
記帳士 (7)
不動產經紀人 (13)
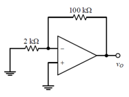
地政士 (7)
消防設備人員 (4)
報關人員 (5)
技術士檢定 (35)
社工師 (5)
食品技師 (6)
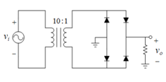
人身保險業務員 (5)
軍警考試
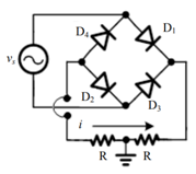
一般警察/警察特考 (101)
警專/警大 (33)
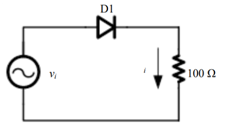
軍士官/預官 (9)
軍校招考 (12)
升學考試
升高中 (11)
升大學/轉學考 (34)
升科大四技 (5)
研究所 (6)
國貿類
國貿大會考 (3)
專責報關人員 (0)
教育師資
公幼教保人員 (8)
公幼教師甄選 (2)
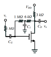
教師甄試 (14)
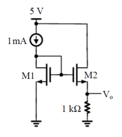
語言檢定
全民英檢 (5)
TOEIC多益 (5)
資訊平台
就業資訊 (8)
金融議題 (1)
鼎文學員專區
密集班 (0)
一般班 (0)
其他
其他 (3640)
老師
發問
登入
註冊
鐵路特考考古題 電子學大意 (收錄106年~110年歷屆試題,每次隨機抽取50題)
鐵路特考考古題
電子學大意 (收錄106年~110年歷屆試題,每次隨機抽取50題)
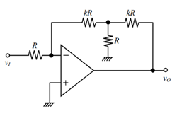
主題分類
學習法
學習方法
公職考試
高普考
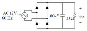
鐵路特考
初等/地方特考
司法特考
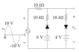
移民特考
關務/稅務特考
民航特考
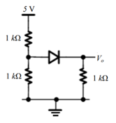
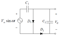
國安局/調查局
身心障礙特考
原住民特考
外交特考
海巡特考
就業考試
中華郵政
捷運公司
銀行考試
農漁會
國營事業
中華電信
台電公司
臺灣菸酒
中油公司
自來水公司
中鋼/中鋁/中龍鋼/中碳
農田水利會
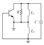
漢翔航空
臺灣港務公司
台糖公司
其他
金融證照
期貨/證券
投信投顧/信託
理財規劃
內控
授信/外匯
債券/票券
股務人員
專技/技術證照
導遊領隊
記帳士
不動產經紀人
地政士
消防設備人員
報關人員
技術士檢定
社工師
食品技師
人身保險業務員
軍警考試
一般警察/警察特考
警專/警大
軍士官/預官
軍校招考
升學考試
升高中
升大學/轉學考
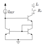
升科大四技
研究所
國貿類
國貿大會考
專責報關人員
教育師資
公幼教保人員
公幼教師甄選
教師甄試
語言檢定
全民英檢
TOEIC多益
資訊平台
就業資訊
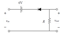
金融議題
鼎文學員專區
密集班
一般班
其他
其他
0討論
0留言
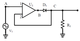
0追蹤
問題討論
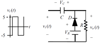
1. 下圖是一矽場效電晶體(Si FET)元件的剖面結構,各層使用不同材料,圖中僅標示某假想製程厚度,此電晶體的臨界電壓(threshold voltage)的絕對值為| V
th
|=0.5V。V
D1
=2V,V
D2
=-2V,V
D
=2V,V
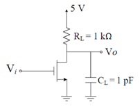
E
=-2V。試由此結構剖面判斷此電晶體的類型為下列何者?
(106年度考題)
(A)N-channel MOSFET(N通道金氧半場效電晶體)
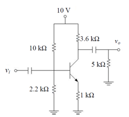
(B)P-channel MOSFET(P通道金氧半場效電晶體)
(C)CMOSFET(互補式金氧半場效電晶體)
(D)FIN FET(鰭式場效電晶體)。
0討論
0留言
0追蹤
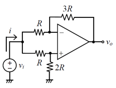
問題討論
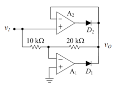
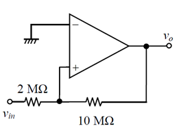
2. 如圖所示之電路,OP AMP為理想。求v
o
/v
i
:
(106年度考題)
(A)-1/4
(B)-1/3
(C)-1
(D)-3。
0討論
0留言
0追蹤
問題討論
3. CMOS場效電晶體是採用何種場效電晶體製作成的? (106年度考題)
(A)PN接合型場效電晶體
(B)MOS空乏型場效電晶體
(C)MOS增強型場效電晶體
(D)各型場效電晶體都可以。
0討論
0留言
0追蹤
問題討論
4. 在高頻電路上若需要獲得最大的頻寬與電壓增益,應選擇下列那一種放大器組態? (106年度考題)
(A)共閘極組態
(B)共源極組態
(C)共汲極組態
(D)都可以。
0討論
0留言
0追蹤
問題討論
5. 一個正脈波(窄幅波)中,高、低電位各為6伏特與1伏特,對應之工作週期分別為20%與80%。問此正脈波的平均電壓為多少? (106年度考題)
(A)1伏特
(B)2伏特
(C)5伏特
(D)6伏特。
0討論
0留言
0追蹤
問題討論
6. 有一JFET,其I
DSS
=12mA,V
GS(off)
=-4V,則在偏壓點V
GS
=-1.5V時,此JFET的g
m
值為何? (106年度考題)
(A)7.5毫姆歐
(B)7.5毫歐姆
(C)3.75毫姆歐
(D)3.75毫歐姆。
0討論
0留言
0追蹤
問題討論
7. 如圖所示為雙極性電晶體Q接成共射極組態,若逆向飽和電流為I
CBO
且電流增益為β,試問電晶體Q的截止條件為何?
(106年度考題)
(A)i
B
=0,i
C
=0,i
E
=-I
CBO
(B)i
E
=0,i
C
=I
CBO
,i
B
=-I
CBO
(C)i
B
=0,i
C
=βI
CBO
,i
E
=-(1+β)I
CBO
(D)i
B
=-I
CBO
,i
C
=I
CBO
,i
E
=(1+β)I
CBO
。
0討論
0留言
0追蹤
問題討論
8. 有一共汲極放大器(common-drain amplifier),其增益為A=0.9,且C
gs
=50fF,C
gd
=10fF,則其輸入電容(input capacitance)應為多少fF? (106年度考題)
(A)510
(B)90
(C)45
(D)15。
0討論
0留言
0追蹤
問題討論
9. 下列有關FET與BJT特性比較的敘述,何者最為正確? (106年度考題)
(A)BJT雜訊較低
(B)FET輸入阻抗較高
(C)BJT高頻響應較差
(D)FET增益頻寬的乘積較BJT為大。
0討論
0留言
0追蹤
問題討論
10. 當理想運算放大器接成電壓隨耦器(voltage follower)應用時,下列敘述何者錯誤? (106年度考題)
(A)電壓增益為1
(B)輸入阻抗為無窮大
(C)輸出端接至運算放大器的同相輸入端
(D)輸出阻抗為零。
0討論
0留言
0追蹤
問題討論
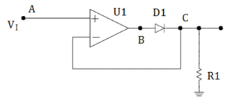
11. 有一放大器電路如圖所示,放大器U1為理想運算放大器,其輸出電壓範圍侷限在+10V與-10V之間,二極體D1順向電壓V
D0
=0.7V。若電阻R1=1kΩ,電源V
I
=-5V,試問節點B的電壓V
B
應落在下列何範圍內?
(106年度考題)
(A)V
B
≧-4.0V
(B)-4.0V>V
B
≧-4.5V
(C)-4.5V>V
B
≧-5.0V
(D)-5.0V>V
B
。
0討論
0留言
0追蹤
問題討論
12. 如圖所示之電路,運算放大器為理想,求此電路之輸出電壓值為何?
(106年度考題)
(A)8V
(B)10V
(C)12V
(D)14V。
0討論
0留言
0追蹤
問題討論
13. 如圖之箝位電路(D為理想二極體,RC時間常數為無限大),輸入矩形週期波v
i
(t)後,得到直流準位為2伏特之輸出信號,則偏壓電源V
R
應為多少?
(106年度考題)
(A)-3V
(B)-2V
(C)2V
(D)3V。
0討論
0留言
0追蹤
問題討論
14. 如圖所示之電路,假設輸入電壓V
in
為-5V,且所有的二極體皆為理想,輸出電壓V
out
為何?
(106年度考題)
(A)0V
(B)-5V
(C)-3V
(D)-2V。
0討論
0留言
0追蹤
問題討論
15. 如圖所示為一箝位電路,若P
D(max)
為稽納二極體可承受的最大消耗功率值,則稽納二極體最大容許電流I
Z(max)
為何?
(106年度考題)
(A)10mA
(B)25mA
(C)50mA
(D)500mA。
0討論
0留言
0追蹤
問題討論
16. 如圖所示之電路,若D為理想二極體,其輸出波形V
o
為何?
(106年度考題)
(A)
(B)
(C)
(D)
0討論
0留言
0追蹤
問題討論
17. 圖中二極體D1之導通電壓為0.7V,導通電阻為0Ω,若輸入電壓v
s
(t)=3sin 5t伏特,R
s
=100Ω,則t=(3π/10)時,i=?
(106年度考題)
(A)37mA
(B)23mA
(C)-23mA
(D)-37mA。
0討論
0留言
0追蹤
問題討論
18. 如圖所示之電路,假設二極體之壓降為0.7V,則此電路之輸入電壓v
in
-輸出電壓v
out
之特性曲線最有可能為下列何者?
(106年度考題)
(A)
(B)
(C)
(D)
0討論
0留言
0追蹤
問題討論
19. 如圖所示之電路,若二極體之壓降為0.7V且RC時間常數很大,則其穩態輸出電壓之最低電壓值為何?
(106年度考題)
(A)4.3V
(B)5.7V
(C)-14.3V
(D)-15.7V。
0討論
0留言
0追蹤
問題討論
20. 圖示理想運算放大器電路中,二極體導通的電壓降為0.7V,電壓v
O
為若干?
(106年度考題)
(A)-3V
(B)-1.5V
(C)0V
(D)3V。
0討論
0留言
0追蹤
問題討論
21. 下列何種電子電路常使用齊納(Zener)二極體? (106年度考題)
(A)濾波
(B)發光
(C)放大
(D)穩壓。
0討論
0留言
0追蹤
問題討論
22. 如圖所示電路,U1為理想運算放大器。假設二極體導通電壓V
D0
=0.7V。已知電阻R1=1kΩ、R2=2kΩ。對於輸出與輸入電壓之間的轉移特性,下列何者正確?
(106年度考題)
(A)
(B)
(C)
(D)
0討論
0留言
0追蹤
問題討論
23. 如圖所示之電路,其中電晶體之參數為β=100,V
T
=26mV且V
BE(on)
=0.7V,求其小信號輸入電阻R
i
之值為何?
(106年度考題)
(A)0.069kΩ
(B)1.369kΩ
(C)1.769kΩ
(D)2.169kΩ。
0討論
0留言
0追蹤
問題討論
24. 關於共閘極(CG)與共源極放大器(CS)的特性比較,下列敘述何者正確? (106年度考題)
(A)共閘極放大器有較大的電壓增益
(B)共源極放大器有較大的頻寬
(C)共閘極放大器有較低的輸出阻抗
(D)共源極放大器有較大的輸入阻抗。
0討論
0留言
0追蹤
問題討論
25. CMOS場效電晶體的輸出端通常會連接由MOSFET所組成的邏輯電路,其中可能造成CMOS輸出響應的傳輸延遲(propagation delay)主要受到MOSFET內部那個因素影響? (106年度考題)
(A)輸出電阻
(B)輸入電阻
(C)輸出電容
(D)輸入電容。
0討論
0留言
0追蹤
問題討論
26. 圖中電晶體M1操作在飽和區(saturation region),輸出阻抗r
o
=10kΩ,轉導值g
m
=10mA/V。電流源I的內阻為10kΩ,且負載電阻R
L
亦為10kΩ。則| v
o
/v
s
|=?
(106年度考題)
(A)100/103
(B)1
(C)9/10
(D)100/3。
0討論
0留言
0追蹤
問題討論
27. 圖中電晶體操作在主動區(forward active region),β=99。直流偏壓為V
B
,交流輸入信號為v
s
,輸出信號為v
o1
及v
o2
。下列敘述何者正確?
(106年度考題)
(A)v
o1
及v
o2
為同相(in phase)輸出
(B)| v
o1
/v
o2
|=100/99
(C)| v
o1
/v
o2
|=99/100
(D)| v
o1
/v
o2
|=1。
0討論
0留言
0追蹤
問題討論
28. 如圖所示之電晶體放大器電路中增強型MOSFET的相關參數為μ
n
C
ox
(W/L)=2mA/V
2
和臨界電壓V
th
=1V,測得輸出直流偏壓電壓V
o
=V
DSQ
=6V,該偏壓下電晶體的小信號互導g
m
約為多少?
(106年度考題)
(A)0.4mA/V
(B)2mA/V
(C)4mA/V
(D)10mA/V。
0討論
0留言
0追蹤
問題討論
29. 固定偏壓電路中電晶體基-射極導通時所跨定壓降為V
BEQ
=0.7V,求該電晶體的輸出直流電壓V
CEQ
約為多少?
(106年度考題)
(A)8V
(B)6V
(C)5V
(D)4V。
0討論
0留言
0追蹤
問題討論
30. 下列差動放大器的共模拒斥比(CMRR)的敘述,何者正確? (106年度考題)
(A)與共模放大增益成正比
(B)與差模放大增益成反比
(C)越小越好
(D)越大越好。
0討論
0留言
0追蹤
問題討論
31. 設場效電晶體之動態電阻定義為r
d
=△v
DS
/△i
D
(at △v
GS
=0),今有兩個完全相同的場效電晶體,其動態電阻原皆為r
d
,今將其並聯連接後之動態電阻變成: (106年度考題)
(A)∞
(B)2r
d
(C)r
d
(D)0.5r
d
。
0討論
0留言
0追蹤
問題討論
32. 如圖之差動對電路,電晶體之β=100,r
o
→∞,R
C
=4kΩ,I=2mA,V
CC
=-V
EE
=10V,取V
BE(on)
=0.7V,V
CE(sat)
=0.3V,V
T
=25mV,此差動對的差動電壓增益| Ad |約為多大?
(106年度考題)
(A)0
(B)80V/V
(C)160V/V
(D)200V/V。
0討論
0留言
0追蹤
問題討論
33. 雙極性電晶體內部電容因米勒效應(Miller Effect)會影響放大器的何種特性? (106年度考題)
(A)高頻響應
(B)中頻增益
(C)溫度係數
(D)低頻響應。
0討論
0留言
0追蹤
問題討論
34. 如圖所示由兩個理想OPA構成的波形產生電路,測得v
O1
的頻率與振幅分別為f
1
與V
m1
,而v
O2
的頻率與振幅則分別為f
2
與V
m2
,如果只有R
2
的阻值變為原來的2倍,則下列敘述何者正確?
(106年度考題)
(A)v
O1
的頻率仍為f
1
(B)v
O1
的振幅為2V
m1
(C)v
O2
的頻率仍為f
2
(D)v
O2
的振幅為2V
m2
。
0討論
0留言
0追蹤
問題討論
35. CB-CE串級放大電路中電晶體之β
1
=β
2
=100,各級放大電路中的射極直流偏壓電流均為2.5mA,且第2級放大電路的輸入電阻R
i2
=20kΩ,決定該串級放大電路的總電壓增益大小約為多少?熱電壓V
T
=25mV。
(106年度考題)
(A)80
(B)200
(C)240
(D)360。
0討論
0留言
0追蹤
問題討論
36. 如圖變壓器交連電晶體放大器,若電晶體Q的電流增益為β=100,Is=10mA,熱電壓(thermal voltage)V
T
=25mV,圈數比n=10;試求由負載端R
L
側看入的輸出阻抗R
o
約為多少?
(106年度考題)
(A)250mΩ
(B)25mΩ
(C)2.5mΩ
(D)0.25mΩ。
0討論
0留言
0追蹤
問題討論
37. 如圖直接耦合串級放大器電路中,已知電晶體Q
1
和Q
2
的電流增益分別為β
1
=50和β
2
=100,若Q
1
和Q
2
的V
BE
都是0.7V且輸出阻抗r
o
不計,試求電晶體Q
1
的射極電流I
E1
約為多少?
(106年度考題)
(A)50μA
(B)100μA
(C)5mA
(D)10mA。
0討論
0留言
0追蹤
問題討論
38. 如圖所示為一施密特(Schmitt)觸發器。OP AMP輸出的上下限為±12V。若要使輸出由正轉負時,v
in
應到達何值?
(106年度考題)
(A)-2.4V
(B)0V
(C)1.2V
(D)2.4V。
0討論
0留言
0追蹤
問題討論
39. 某二階帶通濾波器的中心頻率為10
6
rad/s,中心頻率的增益為10,3dB的頻寬為10
3
rad/s,求其品質因素值(Q-factor)為何? (106年度考題)
(A)10
2
(B)10
3
(C)10
4
(D)10
5
。
0討論
0留言
0追蹤
問題討論
40. 圖示放大器電路中的電容C
S
主要功用為何?
(106年度考題)
(A)提升輸入阻抗
(B)提升電壓增益
(C)提升高頻3dB截止頻率
(D)頻率補償。
0討論
0留言
0追蹤
問題討論
41. 某增強型PMOS場效電晶體,V
t
=-1V,μ
p
C
ox
(W/L)=100μA/V
2
,若其閘極(Gate)接地,源極(Source)接+5V,汲極(Drain)電壓為3V,則此電晶體工作在: (107年度考題)
(A)飽和區(Saturation Region)
(B)截止區(Cutoff Region)
(C)三極管區(Triode Region)
(D)主動區(Active Region)。
0討論
0留言
0追蹤
問題討論
42. 如圖所示之OP AMP為理想。求v
O
/v
I
。
(107年度考題)
(A)-2k
(B)-3k
(C)-(2+k)k
(D)-3(1+k)k。
0討論
0留言
0追蹤
問題討論
43. 下列有關積體電路的設計原則,何者錯誤? (107年度考題)
(A)避免使用耦合電容,因為電容占較大的面積
(B)以電流源來替代電阻可以降低使用面積
(C)控制個別電阻的阻值較控制電阻間阻值比容易
(D)隨著電晶體尺寸的縮小,電源電壓逐漸變低。
0討論
0留言
0追蹤
問題討論
44. 如圖所示為運算放大器電路連接在±12V電源,一開始令電容上電壓為零且運算放大器為理想;已知RC時間常數為1ms,若該運算放大器自身的抵補電壓(offset voltage)V
OS
=2mV,試求多少時間後該運算放大器的輸出會到達飽和?
(107年度考題)
(A)6秒
(B)12秒
(C)18秒
(D)24秒。
0討論
0留言
0追蹤
問題討論
45. 有一差動放大器的共模增益A
C
=20,差模增益A
d
=180,則其共模拒斥比(CMRR)=? (107年度考題)
(A)180
(B)20
(C)9
(D)1/9。
0討論
0留言
0追蹤
問題討論
46. 雙極性電晶體(BJT)若工作在主動作用區時: (107年度考題)
(A)基極-射極接面、基極-集極接面都順偏
(B)基極-射極接面順偏、基極-集極接面逆偏
(C)基極-射極接面逆偏、基極-集極接面順偏
(D)基極-射極接面、基極-集極接面都逆偏。
0討論
0留言
0追蹤
問題討論
47. 積體電路中需要製作隔離區,這是因為: (107年度考題)
(A)方便作電路測試
(B)避免元件受機械損害
(C)避免元件受熱損害
(D)減少電路中各元件間之電性相互作用。
0討論
0留言
0追蹤
問題討論
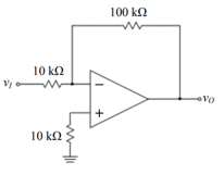
48. 如圖為一個理想運算放大器電路,其電壓增益v
O
/v
I
為多少分貝(dB)?
(107年度考題)
(A)10dB
(B)-10dB
(C)20dB
(D)-20dB。
0討論
0留言
0追蹤
問題討論
49. 一個NMOS電晶體,其臨界電壓V
t
=0.5V。當輸入端電壓V
GS
=1.5V時之汲極飽和電流I
D
=1mA,則當汲極飽和電流I
D
增為4mA時,其V
GS
值為多大? (107年度考題)
(A)1.5V
(B)2V
(C)2.5V
(D)3V。
0討論
0留言
0追蹤
問題討論
50. 當一npn電晶體工作在飽和模式(Saturation-Mode)時,下列敘述何者最有可能是錯誤的? (107年度考題)
(A)V
BE
約為0.7V
(B)V
BC
約為0.5V
(C)V
CE
約為0.2V
(D)I
C
飽和在I
sat
的定值。
0討論
0留言
0追蹤
問題討論
51. 如圖所示之電路,假設電容器初始壓降V
C
(0)=0,則輸出電壓振幅為輸入電壓振幅V
P
之幾倍?
(107年度考題)
(A)26.5
(B)30.5
(C)36.5
(D)39.5。
0討論
0留言
0追蹤
問題討論
52. 若運算放大器之迴轉率(slew rate)為4π V/μs,當輸入為弦波時其輸出弦波之峰值為5V,求最大不失真頻率為何? (107年度考題)
(A)300kHz
(B)400kHz
(C)500kHz
(D)600kHz。
0討論
0留言
0追蹤
問題討論
53. 如圖所示之電路,當V
IN
為5V時,V
OUT
為何?假設二極體的開啟電壓(turn-on voltage)為0.8V。
(107年度考題)
(A)4.2V
(B)5.8V
(C)-2.3V
(D)-0.7V。
0討論
0留言
0追蹤
問題討論
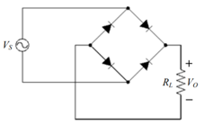
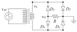
54. 如圖所示之橋式整流電路,已知V
S
=40sinωt V,若所有二極體皆為理想二極體,則一個二極體之峰值逆向電壓(PIV)為何?
(107年度考題)
(A)10V
(B)20V
(C)40V
(D)80V。
0討論
0留言
0追蹤
問題討論
55. 下列何者非「橋式整流電路」優於「變壓器中間抽頭式整流電路」的項目? (107年度考題)
(A)二極體之反向峰值電壓(PIV)值會較小
(B)二極體數量較少
(C)變壓器體積較小
(D)電路中之變壓器價格會較低。
0討論
0留言
0追蹤
問題討論
56. 下圖中輸入信號為弦波v
s
(t)=5sin10t V,各二極體D
1
-D
4
之導通電壓皆為0.7V,導通電阻為10Ω。若R=10Ω,則電流| i |之最大值為何?
(107年度考題)
(A)212mA
(B)180mA
(C)90mA
(D)45mA。
0討論
0留言
0追蹤
問題討論
57. 下圖中二極體D1之導通電壓為0.7V,導通電阻為10Ω,輸入信號為弦波,v
i
(t)=5sin10t V,R1與R2皆為5Ω,則v
o
(t)的最小值為何?
(107年度考題)
(A)-5V
(B)-4.175V
(C)-2.8V
(D)-1.7V。
0討論
0留言
0追蹤
問題討論
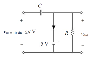
58. 圖中電路之輸入信號v
i
為弦波,v
i
(t)=5sin10t V,二極體D1之導通電壓為0.7V,導通電阻為100Ω。則流過電阻上的電流最大值為何?
(107年度考題)
(A)93mA
(B)50mA
(C)43mA
(D)21.5mA。
0討論
0留言
0追蹤
問題討論
59. 下圖中二極體之導通電壓為0.7V,導通電阻為0Ω,則V
o
為何?
(107年度考題)
(A)2.5V
(B)1.8V
(C)5/3V
(D)1.2V。
0討論
0留言
0追蹤
問題討論
60. 如圖所示之電路,假設二極體為理想,則v
o
之電壓為何?
(107年度考題)
(A)-20V
(B)40V
(C)-60V
(D)80V。
0討論
0留言
0追蹤
問題討論
61. 如圖所示二極體電路,假設二極體導通電壓V
D0
=0.7V。已知電壓v
s
(t)=12sin(120πt)V、R
1
=10kΩ、V
DC
=5V。若R
2
=20kΩ,當輸入電壓v
S
為10V時,試求流經二極體D的電流值i
D
約為多少?
(107年度考題)
(A)0mA
(B)0.145mA
(C)0.285mA
(D)0.43mA。
0討論
0留言
0追蹤
問題討論
62. 考慮一使用理想二極體之半波整流電路,二極體正向壓降為V
D
,當輸入一振幅為V
m
的正弦波電壓時,其導通切入角度(cut-in angle)為多少? (107年度考題)
(A)sin
-
1
(V
D
/V
m
)
(B)cos
-
1
(V
D
/V
m
)
(C)tan
-
1
(V
D
/V
m
)
(D)cot
-
1
(V
D
/V
m
)。
0討論
0留言
0追蹤
問題討論
63. 增強型MOSFET的V
T
=2V,K=
=1mA/V
2
,V
GS
=4V,V
DS
=1V,則汲極電流I
D
為何? (107年度考題)
(A)3mA
(B)6mA
(C)9mA
(D)12mA。
0討論
0留言
0追蹤
問題討論
64. 請問如圖所示放大器之增益(V
o
/V
i
)為何?假設電晶體操作於主動區且V
T
=25mV。
(107年度考題)
(A)-20
(B)-30
(C)-40
(D)-50。
0討論
0留言
0追蹤
問題討論
65. 若雙極性電晶體(BJT)的βI
B
=I
C
時,則電晶體操作在: (107年度考題)
(A)逆向崩潰區(reverse breakdown region)
(B)截止區(cut-off region)
(C)主動區(active region)
(D)飽和區(saturation region)。
0討論
0留言
0追蹤
問題討論
66. 若PNP型電晶體操作在主動區且I
B
=0.05mA,I
C
=4.95mA,則其α值為: (107年度考題)
(A)100
(B)99
(C)0.99
(D)0.98。
0討論
0留言
0追蹤
問題討論
67. 圖中電晶體M1之μ
n
C
ox
(W/L)=0.5mA/V
2
,臨界電壓V
T
=0.8V,若忽略通道調變效應且M1維持操作在飽和區(saturation region),則V
B
的最大值為何?
(107年度考題)
(A)1.6V
(B)2.0V
(C)2.4V
(D)2.8V。
0討論
0留言
0追蹤
問題討論
68. 在電晶體的小訊號π模型中,訊號的放大機制如何表示? (107年度考題)
(A)電流控制電壓源
(B)電流控制電流源
(C)電壓控制電壓源
(D)電壓控制電流源。
0討論
0留言
0追蹤
問題討論
69. 圖中信號源阻抗R
S
=1kΩ,轉導放大器輸入阻抗R
i
=1kΩ,轉導增益G
ms
=1mA/V,輸出阻抗R
o
=10kΩ,負載阻抗R
L
=10kΩ,則v
o
/v
s
=?
(107年度考題)
(A)5(V/V)
(B)2.5(V/V)
(C)-5(V/V)
(D)-2.5(V/V)。
0討論
0留言
0追蹤
問題討論
70. 如圖所示之電晶體工作在主動區,其輸出直流偏壓電流為I
CQ
=3mA,基極端之等效輸入電阻約為多少?(R
1
=2kΩ、R
2
=30kΩ且熱電壓=25mV)。
(107年度考題)
(A)30kΩ
(B)15kΩ
(C)2kΩ
(D)0.5kΩ。
0討論
0留言
0追蹤
問題討論
71. 如圖所示具有反交聯電容器C
1
的增強型MOSFET放大器中μ
n
C
ox
(W/L)=4mA/V
2
,流經3kΩ的直流偏壓電流為2mA,輸入交流弦波信號v
i
的振幅為0.2V,輸出交流信號的振幅為多少?
(107年度考題)
(A)0.8V
(B)2V
(C)4V
(D)8V。
0討論
0留言
0追蹤
問題討論
72. 圖示電路,若電流源I為1mA、R
C
=1kΩ,電晶體電流放大率β=100,則電壓增益v
o
/v
i
約為若干?
(107年度考題)
(A)-100
(B)-40
(C)20
(D)40。
0討論
0留言
0追蹤
問題討論
73. 圖示為變壓器耦合串級放大電路的小訊號等效電路中部分電路,如果想要得到最大功率轉移,則圖式電路中電晶體的集極偏壓電流I
C
應約為多少?其中R
1
=50Ω、β=100、熱電壓V
T
=25mV。
(107年度考題)
(A)2mA
(B)1.5mA
(C)1mA
(D)0.6mA。
0討論
0留言
0追蹤
問題討論
74. 如圖所示由理想OPA(電源電壓為±15V)所構成之施密特觸發電路,該電路於R
2
=2kΩ時之輸入-輸出轉移特性具有一磁滯電壓為20伏特,則R
1
的電阻值約為多少?
(107年度考題)
(A)1kΩ
(B)2kΩ
(C)3kΩ
(D)4kΩ。
0討論
0留言
0追蹤
問題討論
75. 如圖是由β
1
=5及β
2
=10的兩電晶體構成之達靈頓對電晶體,決定該達靈頓對電路的等效電晶體之電流增益大小約為多少?
(107年度考題)
(A)5
(B)15
(C)50
(D)65。
0討論
0留言
0追蹤
問題討論
76. 如圖所示為兩個理想OPA構成的三角波產生電路,該兩OPA所施加的直流電源電壓值相同,測得v
O1
及v
O2
輸出波形的峰到峰值分別為20及16伏特,則R
1
的電阻值應約為何?
(107年度考題)
(A)5kΩ
(B)4kΩ
(C)3kΩ
(D)2kΩ。
0討論
0留言
0追蹤
問題討論
77. 如圖為一方波振盪器。若OP AMP輸出的上下限為±10V。R
2
=4R
3
、R
1
C
1
=10ms,求方波的振幅?
(107年度考題)
(A)4V
(B)6V
(C)8V
(D)10V。
0討論
0留言
0追蹤
問題討論
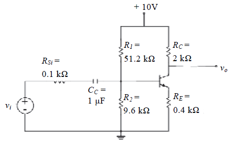
78. 如圖電晶體放大器電路,試問旁路電容C
E
會衰減放大器頻率響應的那一頻段?
(107年度考題)
(A)全頻段
(B)高頻段
(C)中頻段
(D)低頻段。
0討論
0留言
0追蹤
問題討論
79. 如圖電路為具有電阻r
b
=500Ω的混合π等效電路。如果電晶體偏壓在集極電流I
CQ
=2mA時,其相關參數為β=100、C
1
=2nF,且熱電壓V
T
=0.026V。則此電路之-3dB頻率約為多少?
(107年度考題)
(A)201 kHz
(B)211 kHz
(C)221 kHz
(D)231 kHz。
0討論
0留言
0追蹤
問題討論
80. 下列為一被動式濾波器(Passive filter),已知L=4.24μH、C=1.6μF、R=10kΩ。試求此電路的共振頻率約為多少?
(107年度考題)
(A)150 kHz
(B)100 kHz
(C)60 Hz
(D)10 kHz。
0討論
0留言
0追蹤
問題討論
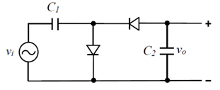
81. 下圖中輸入信號為弦波v
i
(t)=5sin10t伏特,二極體D
1
之導通電壓為0.7V,導通電阻為0Ω。放大器(Amp)之增益為9V/V,輸入阻抗為無限大,輸出阻抗為0,則輸出v
o
(t)之最大值為何?
(108年度考題)
(A)5V
(B)4.57V
(C)4.43V
(D)4.3V。
0討論
0留言
0追蹤
問題討論
82. 一個NPN雙極性電晶體,β=100且操作在主動區(active region)。若集極對射極的電壓為5V,集極電流為1mA。熱電壓V
T
=0.025V。求由基極視入的基射極小信號電阻r
π
? (108年度考題)
(A)25Ω
(B)50Ω
(C)2.5kΩ
(D)5kΩ。
0討論
0留言
0追蹤
問題討論
83. 將一個n-通道增強型MOSFET操作在飽和區,源極接地,以理想電流源注入100μA的汲極電流。此電晶體μ
n
C
ox
=20μA/V
2
,W/L=10,V
t
=0.5V。若電晶體的爾利電壓(Early voltage)V
A
=20V,問小信號增益大小的絕對值為多少? (108年度考題)
(A)20
(B)40
(C)100
(D)200。
0討論
0留言
0追蹤
問題討論
84. 已知某一雙極性接面電晶體的互導為g
m
、輸入阻抗為r
π
、電流增益為β,試問下列何者正確? (108年度考題)
(A)r
π
=g
m
β
(B)β=g
m
r
π
(C)g
m
=βr
π
(D)r
π
g
m
β=1。
0討論
0留言
0追蹤
問題討論
85. 如圖所示為一系列的方形脈波,其頻率為?
(108年度考題)
(A)300kHz
(B)250kHz
(C)200kHz
(D)150kHz。
0討論
0留言
0追蹤
問題討論
86. 在積體電路中,有關二氧化矽(SiO
2
)的角色,下列敘述何者正確? (108年度考題)
(A)它讓擴散物質通過
(B)它的熱傳導性高
(C)它可保護且使矽表面絕緣
(D)它可控制擴散物質的濃度。
0討論
0留言
0追蹤
問題討論
87. 有一雙極接面電晶體,其V
BE
保持定值,若此電晶體射極與基極的接面積增為2倍時,其小信號輸出電阻(small signal output resistance)會如何? (108年度考題)
(A)增大為原來的2倍
(B)不變
(C)減小為原來的一半
(D)減小為原來的4分之1。
0討論
0留言
0追蹤
問題討論
88. 下列那一種FET在閘極未加電壓時是沒有通道的? (108年度考題)
(A)增強型MOSFET
(B)JFET
(C)P通道空乏型MOSFET
(D)N通道空乏型MOSFET。
0討論
0留言
0追蹤
問題討論
89. 如圖所示為一個理想CMOS開關電路,若輸入電壓V
i
為負電壓(包含0伏特)時,則輸出電壓V
o
應為多少伏特?
(108年度考題)
(A)V
DD
(B)V
DD
/2
(C)V
DD
/3
(D)0。
0討論
0留言
0追蹤
問題討論
90. 圖為使用理想運算放大器之電路,若電壓增益A
v
=v
O
/v
I
=-100,R
2
=R
4
=100kΩ,R
3
=200kΩ,則R
1
為多少?
(108年度考題)
(A)5kΩ
(B)10kΩ
(C)15kΩ
(D)20kΩ。
0討論
0留言
0追蹤
問題討論
91. 關於P-N接面二極體之敘述,下列何者正確? (108年度考題)
(A)順向偏壓時擴散電容(diffusion capacitance)較空乏電容(depletion capacitance)為大
(B)逆向偏壓增加時,接面之少數載子濃度增加
(C)逆向偏壓增加時,空乏區之寬度減少
(D)順向偏壓減少時,擴散電容增加。
0討論
0留言
0追蹤
問題討論
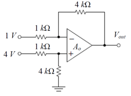
92. 如圖所示電路,U
1
為理想運算放大器。已知電阻R
1
=1kΩ、R
2
=3kΩ、R
3
=1kΩ、R
4
=3kΩ。求在輸入端v
I2
的等效輸入電阻R
in2
約為多少?
(108年度考題)
(A)1kΩ
(B)3kΩ
(C)4kΩ
(D)8kΩ。
0討論
0留言
0追蹤
問題討論
93. 某pn接面二極體在固定電流順偏導通下,下列敘述何者正確? (108年度考題)
(A)溫度變化與二極體兩端電壓降無關
(B)溫度愈高,二極體兩端電壓降愈高
(C)pn接面截面積愈大,二極體兩端電壓降愈低
(D)溫度與電壓關係為+2°C/mV。
0討論
0留言
0追蹤
問題討論
94. 如圖所示電路,若圖中輸入電壓為V
i
=5V,假設二極體皆為理想二極體,則輸出電壓V
o
為多少?
(108年度考題)
(A)5V
(B)2.5V
(C)-2.5V
(D)-5V。
0討論
0留言
0追蹤
問題討論
95. 如圖所示之電路,假設二極體之壓降皆為0.7V,求其輸出電壓v
out
之漣波電壓(ripple voltage)值為何?
(108年度考題)
(A)12V
(B)3.51V
(C)2.92V
(D)0.324V。
0討論
0留言
0追蹤
問題討論
96. 共源極接面場效電晶體(JFET)放大器的輸入電阻很大,是因為輸入端為? (108年度考題)
(A)未加電壓
(B)絕緣材質
(C)順向偏壓
(D)逆向偏壓。
0討論
0留言
0追蹤
問題討論
97. 圖示電路中,A
1
及A
2
為理想運算放大器,v
I
=5sinωt (V),問v
O
的平均電壓約為若干?
(108年度考題)
(A)1.6V
(B)3.2V
(C)4.8V
(D)6.4V。
0討論
0留言
0追蹤
問題討論
98. 如圖所示二極體電路,假設二極體導通電壓V
D0
=0.7V。已知電壓v
S
(t)=12sin(120πt)V、R=10kΩ、C=47μF。試求輸出電壓v
O
的漣波電壓(ripple voltage)值約為多少?
(108年度考題)
(A)2V
(B)1V
(C)0.4V
(D)0.1V。
0討論
0留言
0追蹤
問題討論
99. 如圖所示二極體電路,假設二極體導通電壓V
D0
=0.7V。已知電壓v
S
(t)=12sin(120πt)V、R
1
=10kΩ、V
DC
=5V。若R
2
=20kΩ,對於輸出電壓v
O
的正及負電壓峰值(V
+
及V
-
)約為多少?
(108年度考題)
(A)V
+
=5.7V,V
-
=-12V
(B)V
+
=12V,V
-
=-5.7V
(C)V
+
=5.7V,V
-
=-8V
(D)V
+
=8V,V
-
=-5.7V。
0討論
0留言
0追蹤
問題討論
100. 如圖所示之電路,輸入電壓v
i
為一交流弦波,有效值為100V,頻率為60Hz,二極體皆為理想,求輸出之平均直流電壓值約為何?
(108年度考題)
(A)7V
(B)8V
(C)9V
(D)10V。
0討論
0留言
0追蹤
問題討論
101. 如圖所示之電路,二極體皆為理想,有關此電路之敘述,下列何者正確?
(108年度考題)
(A)C
1
的耐壓為2V
m
(B)D
1
的峰值反向電壓為V
m
(C)V
O
之值為2V
m
(D)D
2
的峰值反向電壓為2V
m
。
0討論
0留言
0追蹤
問題討論
102. 如圖所示之電路,二極體導通之壓降為0.7V,RC≫v
i
之週期,求電路穩態時之V
3
為何?
(108年度考題)
(A)4.3V
(B)5.7V
(C)9.3V
(D)12.7V。
0討論
0留言
0追蹤
問題討論
103. 如圖所示之電路,其中電晶體之參數為β=100,V
A
=∞,V
T
=26mV且V
BE(on)
=0.7V,求其小信號電壓增益值為何?
(108年度考題)
(A)-2.02
(B)-4.02
(C)-6.02
(D)-8.02。
0討論
0留言
0追蹤
問題討論
104. 假設圖中電晶體操作於飽和區,閘極與源極之壓差為0.7V,且臨界電壓V
TH
=0.6V。請問圖中共閘極放大器之小訊號輸入電阻R
IN
為何?
(108年度考題)
(A)10Ω
(B)20Ω
(C)30Ω
(D)40Ω。
0討論
0留言
0追蹤
問題討論
105. 圖中電晶體之μ
n
C
ox
(W/L)
1
=μ
n
C
ox
(W/L)
2
=0.5mA/V
2
,臨界電壓V
T
=0.8V,若忽略通道調變效應,則V
o
=?
(108年度考題)
(A)0.54V
(B)0.84V
(C)1.24V
(D)2.24V。
0討論
0留言
0追蹤
問題討論
106. 關於金氧半場效電晶體(MOSFET)的小信號模型,下列敘述何者錯誤?
(108年度考題)
(A)在特定(W/L)的條件下,r
o
與偏壓電流成正比
(B)在特定(W/L)的條件下,偏壓電流越大則g
m
越大
(C)在特定(W/L)的條件下,元件的直流偏壓V
GS
越大則g
m
越大
(D)對共源級(common source)放大器而言,輸入阻抗為無窮大。
0討論
0留言
0追蹤
問題討論
107. 圖中電晶體操作在主動區(active region),β=99,g
m
=10mA/V。直流偏壓為V
B
,交流輸入信號為v
s
,輸出信號為v
o
。下列敘述何者正確?
(108年度考題)
(A)屬共射級(common emitter)放大器
(B)為同相放大器
(C)| v
o
/v
s
|=100
(D)輸入阻抗<10kΩ。
0討論
0留言
0追蹤
問題討論
108. 具有共射極電流增益β及爾利(Early)電壓V
A
的電晶體,其輸入、輸出直流偏壓電流分別為I
BQ
、I
CQ
時,下列那一選項具有最大的小信號等效輸出電阻? (108年度考題)
(A)V
A
=100V,β=100,I
CQ
=2mA
(B)V
A
=100V,β=80,I
BQ
=0.02mA
(C)V
A
=80V,β=50,I
CQ
=2mA
(D)V
A
=80V,β=80,I
BQ
=0.04mA。
0討論
0留言
0追蹤
問題討論
109. 轉導(G
m
)放大器之輸入與輸出阻抗特性之敘述,下列何者正確? (108年度考題)
(A)輸入應為低阻抗
(B)輸出應為高阻抗
(C)輸入阻抗與電流放大器之輸入特性相似
(D)輸出阻抗與電壓放大器之輸出特性相似。
0討論
0留言
0追蹤
問題討論
110. 如圖所示為操作於主動模式(active mode)的雙極接面電晶體的π型小訊號等效電路,若g
m
值增為兩倍,則r
π
值會如何?
(108年度考題)
(A)增為
倍
(B)增為2倍
(C)減為一半
(D)不變。
0討論
0留言
0追蹤
問題討論
111. 當一n通道增強型MOSFET,工作於三極管區(Triode region)時,下列何者正確? (108年度考題)
(A)V
DS
≧V
GS
-V
t
(B)V
DS
≦V
t
(C)V
GD
≧V
t
(D)V
t
≦0。
0討論
0留言
0追蹤
問題討論
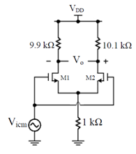
112. 分析如圖之電路,若MOSFET皆操作在飽和區且轉導值g
m
為1mA/V,忽略元件之輸出阻抗r
o
,試求其共模增益V
o
/V
icm
=?
(108年度考題)
(A)
(B)
(C)
(D)
。
0討論
0留言
0追蹤
問題討論
113. 圖中電晶體M1操作在飽和區(saturation region),輸出阻抗r
o
=10kΩ,轉導值g
m
=10mA/V。若電阻R=10kΩ,下列敘述何者正確?
(108年度考題)
(A)小信號增益| v
o
/v
s
|=10
(B)屬共汲極(common drain)放大器
(C)R
out
=5kΩ
(D)若電阻R值增加且電晶體M1維持操作在飽和區,| v
o
/v
s
|降低。
0討論
0留言
0追蹤
問題討論
114. 圖示RC耦合串級放大電路的總電壓增益為60dB,將第1級放大電路的偏壓電阻值R
1
與R
2
均變為原來的2倍後,假設各級放大電路仍正常工作,總電壓增益約為多少?
(108年度考題)
(A)200
(B)400
(C)500
(D)1000。
0討論
0留言
0追蹤
問題討論
115. 如圖所示為一CMOS反相器,其負載為電容C
L
。若輸入的信號v
i
為方波,其高電位為V
DD
、低電位為0,頻率為f,下列何者正確?
(108年度考題)
(A)反相器負載電容C
L
愈大功率消耗愈低
(B)反相器操作頻率愈快,功率消耗愈大
(C)反相器電晶體通道長度愈長,功率消耗愈小
(D)反相器電源電壓V
DD
愈低,功率消耗愈大。
0討論
0留言
0追蹤
問題討論
116. 如圖電路,若輸入v
i
(t)為方波電壓,則輸出v
o
(t)是什麼波形?
(108年度考題)
(A)正弦波
(B)三角波
(C)脈波
(D)矩形波。
0討論
0留言
0追蹤
問題討論
117. 一個n通道MOSFET,若其閘極-汲極電容C
gd
=10fF,閘極-源極電容C
gs
=50fF,轉導g
m
=1.2mA/V,則此MOSFET之單一增益頻率(unity-gain frequency)約為多少?(f=10
-
15
) (108年度考題)
(A)1.18GHz
(B)2.18GHz
(C)3.18GHz
(D)4.18GHz。
0討論
0留言
0追蹤
問題討論
118. 圖電路中雙極性接面電晶體之增益β=100,小訊號參數r
π
=1.44kΩ,則此電路之轉角頻率(corner frequency)約為多少?
(108年度考題)
(A)23.2Hz
(B)30.2Hz
(C)37.2Hz
(D)44.2Hz。
0討論
0留言
0追蹤
問題討論
119. 如圖為哈特來振盪器(Hartley Oscillator),已知L
1
=0.05mH和L
2
=0.01mH和C=60nF,試求振盪頻率f
o
約為多少?
(108年度考題)
(A)1.414MHz
(B)527kHz
(C)225kHz
(D)84kHz。
0討論
0留言
0追蹤
問題討論
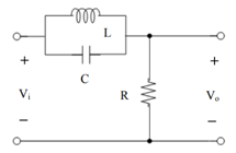
120. 如圖所示之電路,其為何種濾波器?
(108年度考題)
(A)低通
(B)帶通
(C)高通
(D)全通。
0討論
0留言
0追蹤
問題討論
121. 某場效電晶體工作在飽和區,其i
D
-v
GS
關係如圖所示,則此電晶體為:
(109年度考題)
(A)增強型NMOS
(B)增強型PMOS
(C)空乏型NMOS
(D)空乏型PMOS。
0討論
0留言
0追蹤
問題討論
122. 設計數位電路時,若採用N通道或P通道金氧半場效電晶體(MOSFET),一般情形不會使用到MOSFET的那一個工作區(Operation Region)? (109年度考題)
(A)飽和區(Saturation region)
(B)線性區(Linear region)
(C)三極管區(Triode region)
(D)截止區(Cut-off region)。
0討論
0留言
0追蹤
問題討論
123. 如圖所示的OP AMP放大器,其輸出v
O
=-0.2V。假若此輸出電壓是由偏移電壓(offset voltage)所造成的。問偏移電壓之絕對值最接近下列何值?
(109年度考題)
(A)4mV
(B)20mV
(C)40mV
(D)200mV。
0討論
0留言
0追蹤
問題討論
124. 有一理想二極體,在順向偏壓0.7V時導通電流為10mA。今取10個完全相同的二極體串聯之,並施以0.7V的偏壓,則此電路的導通電流約為: (109年度考題)
(A)∞
(B)100mA
(C)1mA
(D)非常小,近於0mA。
0討論
0留言
0追蹤
問題討論
125. 有一增益為A=100的放大器,將其置入一回饋迴路,設此迴路之回饋因素(feedback factor)為f=0.1,則此系統之封閉迴路增益(closed loop gain)約為多少? (109年度考題)
(A)99
(B)9
(C)0.9
(D)0.09。
0討論
0留言
0追蹤
問題討論
126. 如圖,CMOS場效電晶體的輸入端v
I
接V
DD
時,其輸出端v
o
是處於下列何種狀態?
(109年度考題)
(A)上拉(pull-up)至V
DD
(B)下拉(pull-down)至地
(C)V
DD
/2
(D)Q
P
與Q
N
皆關閉,輸出浮接。
0討論
0留言
0追蹤
問題討論
127. 有一N通道空乏型MOSFET的I
DSS
=12mA,夾止電壓V
GS(off)
=-4V,當V
GS
=-3V時,I
D
之值應為多少? (109年度考題)
(A)1mA
(B)0.75mA
(C)0.5mA
(D)0mA。
0討論
0留言
0追蹤
問題討論
128. 如圖所示之電路,設電晶體主動區之電流增益β為40,則使此電晶體進入飽和區之最小I
B
值應為多少?
(109年度考題)
(A)2mA
(B)1mA
(C)0.5mA
(D)0.25mA。
0討論
0留言
0追蹤
問題討論
129. 有一雙極接面電晶體,其I
S
=10
-
15
A,爾利電壓(Early voltage)V
A
=50V且V
CEsat
=0.4V,若室溫時其轉導值(transconductance)為1/26 S,則此電路之偏壓電流I
C
應為多少? (109年度考題)
(A)10mA
(B)1mA
(C)100μA
(D)10μA。
0討論
0留言
0追蹤
問題討論
130. 下列表示法,何者是p通道的接面場效電晶體(JFET)? (109年度考題)
(A)
(B)
(C)
(D)
0討論
0留言
0追蹤
問題討論
131. 圖中電路的放大器為一理想運算放大器,其電壓增益為何?
(109年度考題)
(A)-2
(B)-3
(C)-4
(D)-5。
0討論
0留言
0追蹤
問題討論
132. 如圖所示之電路,如A
o
=∞,電容器初始壓降V
C
(0)=0,輸入訊號為一弦波,假使輸出振幅為輸入訊號振幅的5倍且RC=0.8μs,則輸入訊號之頻率值為何?
(109年度考題)
(A)1MHz
(B)2MHz
(C)3MHz
(D)4MHz。
0討論
0留言
0追蹤
問題討論
133. 半波整流電路以及半波整流-電容濾波電路中二極體所承受之峰值逆向電壓(PIV)分別為A伏特與B伏特,所有二極體的順向特性及濾波效果均視為理想且相同的輸入信號為弦波時,A/B之比值約為何? (109年度考題)
(A)0.5
(B)1
(C)2
(D)4。
0討論
0留言
0追蹤
問題討論
134. 半波整流-電容濾波電路(二極體視為理想)之輸入信號v
i
(t)=18sin(754t)伏特,如果電容值C=100μF與負載電阻R
L
=6kΩ之時間常數可形成類似鋸齒波之漣波波形輸出,該電路之漣波因素(r%)為何? (109年度考題)
(A)0.18%
(B)0.8%
(C)0.4%
(D)3%。
0討論
0留言
0追蹤
問題討論
135. 下圖中,v
a
(t)=5sin(10t)伏特,v
b
(t)=6sin(10t)伏特,v
c
(t)=7sin(10t)伏特,各二極體之導通電壓皆為0.7V,導通電阻為0Ω,則電阻R之最大電流為何?
(109年度考題)
(A)3.3mA
(B)4.3mA
(C)5.3mA
(D)6.3mA。
0討論
0留言
0追蹤
問題討論
136. 下圖中之電路若二極體之導通電壓與導通電阻皆為0,電容C之初始電壓為0V,v
i
之輸入如圖所示,下列敘述何者正確?
(109年度考題)
(A)v
o
之最高電壓為5V
(B)v
o
之最高電壓為3V
(C)v
o
之最高電壓為2.5V
(D)v
o
之最高電壓為1V。
0討論
0留言
0追蹤
問題討論
137. 圖中二極體D1之導通電壓為0.7V,導通電阻為0Ω,若輸入電壓v
i
(t)=3sin(10t)伏特,則| i |的最大值為何?
(109年度考題)
(A)7mA
(B)10mA
(C)33mA
(D)40mA。
0討論
0留言
0追蹤
問題討論
138. 如圖所示之電路,假設二極體為理想,輸入電源為峰值12V的正弦波,則其輸出電壓v
out
之波形最有可能為下列何者?
(109年度考題)
(A)
(B)
(C)
(D)
0討論
0留言
0追蹤
問題討論
139. 如圖所示之電路,假設二極體為理想,若跨在C
2
與C
4
串聯上之直流電壓(V
c2
+V
c4
)為80V,則電容C
3
跨壓為何?
(109年度考題)
(A)20V
(B)40V
(C)60V
(D)80V。
0討論
0留言
0追蹤
問題討論
140. 分析如圖之電路,若二極體之電流I
D
可表示為I
D
=I
S
exp(V
D
/V
T
),V
D
為二極體之跨壓,V
T
=25mV,C1與C2之電容值為無限大,則v
o
/v
i
=?
(109年度考題)
(A)0
(B)0.5
(C)1
(D)2。
0討論
0留言
0追蹤
問題討論
141. 如圖電路,設二極體均為理想二極體,R=10kΩ,R
1
=R
2
=5kΩ,V
1
=V
2
=5V。當v
I
=3V時,v
O
為多少?
(109年度考題)
(A)0
(B)3V
(C)6V
(D)8V。
0討論
0留言
0追蹤
問題討論
142. 使用有中心抽頭變壓器作為全波整流電路時,最少需搭配使用幾個二極體? (109年度考題)
(A)1個
(B)2個
(C)3個
(D)4個。
0討論
0留言
0追蹤
問題討論
143. 如圖所示之電路,其中電晶體之參數為β=100,V
T
=26mV且爾利(Early)電壓V
A
=100V,假定此電路之直流偏壓電流I
C
=0.84mA,求其小信號輸出電阻R
O
之值為何?
(109年度考題)
(A)0.72kΩ
(B)1.41kΩ
(C)3.54kΩ
(D)4.67kΩ。
0討論
0留言
0追蹤
問題討論
144. 假設一MOSFET的汲極電流固定,關於其轉導(g
m
)的敘述下列何者正確? (109年度考題)
(A)g
m
正比於
(B)g
m
正比於
(C)g
m
正比於MOSFET的過驅電壓(V
GS
-V
TH
)
(D)g
m
正比於W/L。
0討論
0留言
0追蹤
問題討論
145. 圖中電晶體M1之μ
n
C
ox
(W/L)=0.5mA/V
2
,臨界電壓V
T
=0.8V,若忽略通道調變效應,下列敘述何者錯誤?
(109年度考題)
(A)V
o1
=1V
(B)M1操作在線性區(Linear region)
(C)V
gs1
=2.8V
(D)若M1之(W/L)增加兩倍,V
o1
之電壓維持不變。
0討論
0留言
0追蹤
問題討論
146. 圖中電晶體Q1之β=100,V
BE(on)
=0.7V,試求V
o
=?
(109年度考題)
(A)4.95V
(B)3.95V
(C)2.95V
(D)1.95V。
0討論
0留言
0追蹤
問題討論
147. 電晶體的射-基極導通電壓視為定值且等於0.7V,如圖之電晶體放大電路中嘗試讓電晶體的輸出直流電壓V
ECQ
工作在2.5V時,電阻R約為多少?
(109年度考題)
(A)0.5kΩ
(B)1.5kΩ
(C)2.5kΩ
(D)3.5kΩ。
0討論
0留言
0追蹤
問題討論
148. 增強型MOSFET放大器中μ
n
C
ox
(W/L)=4mA/V
2
,已知的電阻值分別為R
1
=600kΩ、R
2
=300kΩ、R
3
=2kΩ及R
4
=1kΩ,且測得流經電阻R
3
的直流偏壓電流為2mA,當R
3
變為原來的2倍時,該放大器小信號之電壓增益變為原來者約多少倍?放大器之偏壓電路可提供該MOSFET正確的工作區。
(109年度考題)
(A)0.5倍
(B)1倍
(C)2倍
(D)4倍。
0討論
0留言
0追蹤
問題討論
149. 一功率電晶體其接面最大溫度為170°C,熱阻為55°C/W,當操作溫度為60°C時,其容許的最大發散功率為何? (109年度考題)
(A)1W
(B)2W
(C)3W
(D)4W。
0討論
0留言
0追蹤
問題討論
150. 圖示威爾遜電流鏡(Wilson current mirror)電路,各電晶體特性完全相同,I
O
為輸出電流,R
O
為輸出阻抗,相較於一般的基本電流鏡電路,有關威爾遜電流鏡電路的敘述,下列何者錯誤?
(109年度考題)
(A)降低I
O
/I
REF
之比例
(B)降低電晶體之β效應
(C)提高輸出阻抗R
O
(D)穩定輸出電流I
O
。
0討論
0留言
0追蹤
問題討論
151. 有一操作於主動模式(active-mode)的雙極接面電晶體,當集極電流I
C
=2mA,其輸出電阻r
o
=20kΩ,則當I
C
=4mA時,其r
o
值為何? (109年度考題)
(A)約降為10kΩ
(B)約降為14kΩ
(C)仍為20kΩ
(D)約增為40kΩ。
0討論
0留言
0追蹤
問題討論
152. 如圖電路,電晶體工作於主動模式(active-mode),V
BE
=0.7V,β=99,R
B
=100kΩ,I=1mA,V
CC
=5V,-V
EE
=-5V,則V
E
值為:
(109年度考題)
(A)-1.7V
(B)-0.7V
(C)0V
(D)0.7V。
0討論
0留言
0追蹤
問題討論
153. 如圖所示為一個具有偏壓電源V
R
的施密特觸發電路(OPA視為理想),其輸入-輸出(v
I
-v
O
)轉移特性的上、下臨界輸入電壓分別為V
UT
=9伏特、V
LT
=-3伏特,則該偏壓電源V
R
約為多少?
(109年度考題)
(A)2伏特
(B)3.5伏特
(C)5伏特
(D)6伏特。
0討論
0留言
0追蹤
問題討論
154. 如圖所示為一方波產生電路,如果此電路中所有的電阻值都變成原來的2倍,則輸出訊號的週期將變成原先的多少倍?
(109年度考題)
(A)1/4
(B)2
(C)4
(D)8。
0討論
0留言
0追蹤
問題討論
155. β
1
=8的p-n-p電晶體和未知β
2
的n-p-n電晶體共同組合之電晶體對,測得該電晶體對之電路等效電流增益大小為β=135,決定其n-p-n電晶體未知的β
2
值約為多少?
(109年度考題)
(A)17
(B)15
(C)12
(D)8。
0討論
0留言
0追蹤
問題討論
156. 如圖所示為一振盪器。電路中OP AMP輸出的上下限為±10V。v
O1
可輸出三角波(triangle wave),求三角波的峰對峰值(peak to peak value)?
(109年度考題)
(A)1V
(B)2V
(C)10V
(D)20V。
0討論
0留言
0追蹤
問題討論
157. 如圖為一雙極性電晶體電路。雙極性電晶體的β=100,V
BEactive
=0.7V,C
π
=20pF,C
μ
=5pF,忽略爾利效應。V
T
=25mV,求高頻3dB頻率(選最接近之值)?
(109年度考題)
(A)7.86kHz
(B)39.3kHz
(C)187kHz
(D)796kHz。
0討論
0留言
0追蹤
問題討論
158. 某二階濾波器其轉移函數為T(s)=
,其極點為何? (109年度考題)
(A)±
(B)-1±
(C)±
(D)-1±
。
0討論
0留言
0追蹤
問題討論
159. 如圖振盪器電路中,若R
1
=R
2
=R
3
=1kΩ、R
4
=29kΩ且C
1
=C
2
=C
3
=0.1nF,則振盪頻率約為多少?
(109年度考題)
(A)450kHz
(B)550kHz
(C)650kHz
(D)750kHz。
0討論
0留言
0追蹤
問題討論
160. 某一單一增益運算放大器的迴轉率SR=0.7V/μs,若輸入弦波信號之峰值電壓為V
m
=5V,則最大的不失真輸入頻率為何? (109年度考題)
(A)35kHz
(B)28kHz
(C)22.28kHz
(D)18.35kHz。
0討論
0留言
0追蹤
問題討論
161. 一個N通道MOSFET元件,其源/汲極結構會是金屬與何種半導體接觸形成? (110年度考題)
(A)N
-
井區
(B)P
-
井區
(C)N
+
區
(D)P
+
區。
0討論
0留言
0追蹤
問題討論
162. 某增強型NMOS場效電晶體的V
t
=0.7V、μ
n
C
ox
(W/L)=50μA/V
2
,今若其源極(Source)電壓0.5V,閘極(Gate)電壓2.5V,汲極(Drain)電壓1.0V,則此電晶體工作在那一區? (110年度考題)
(A)飽和區(Saturation Region)
(B)截止區(Cutoff Region)
(C)三極體區(Triode Region)
(D)主動區(Active Region)。
0討論
0留言
0追蹤
問題討論
163. 有一積體電路晶片的腳位布局圖(pin layout)如下所示,請問第10隻腳為下列何者?
(110年度考題)
(A)OUT1
(B)IN2B
(C)IN3A
(D)IN4B。
0討論
0留言
0追蹤
問題討論
164. 如圖為一齊納二極體電路,此齊納二極體流過的電流必須大於0.2mA才能維持在崩潰的狀態。假若齊納二極體崩潰時的內阻可以忽略,問負載電阻R
L
最少應為多少?
(110年度考題)
(A)0.5kΩ
(B)1.1kΩ
(C)1.5kΩ
(D)34kΩ。
0討論
0留言
0追蹤
問題討論
165. 如圖所示之理想放大器電路,求v
o
/v
i
。
(110年度考題)
(A)0
(B)-5
(C)-6
(D)5。
0討論
0留言
0追蹤
問題討論
166. 如圖所示為雙極性電晶體Q接成共射極組態,已知電晶體之電流增益為β且集-基極接面的逆向飽和電流為I
CBO
,若i
B
=0且V
CE
>0時,則電晶體Q的i
E
=?
(110年度考題)
(A)i
E
=-I
CBO
(B)i
E
=I
CBO
(C)i
E
=-(1+β)I
CBO
(D)i
E
=(1+β)I
CBO
。
0討論
0留言
0追蹤
問題討論
167. 設圖中所示電晶體的射極電壓為1V,又設| V
BE
|=0.7V,則其α為?
(110年度考題)
(A)1.52
(B)0.98
(C)0.54
(D)0.11。
0討論
0留言
0追蹤
問題討論
168. 圖為理想運算放大器電路,其電壓增益Av=v
O
/v
I
為多少?
(110年度考題)
(A)8
(B)11
(C)15
(D)18。
0討論
0留言
0追蹤
問題討論
169. 下列何者屬於理想運算放大器的特性? (110年度考題)
(A)交流耦合
(B)有限頻寬
(C)開路增益無窮大
(D)輸出阻抗無窮大。
0討論
0留言
0追蹤
問題討論
170. 一個NMOS電晶體,其臨界電壓V
t
=0.5V。當輸入端電壓V
GS
=1.5V時之汲極飽和電流I
D
=1mA,則當V
GS
增為2.5V時其汲極飽和電流I
D
約為多大? (110年度考題)
(A)1mA
(B)2mA
(C)3mA
(D)4mA。
0討論
0留言
0追蹤
問題討論
171. 下列有關利用理想運算放大器構成的電壓隨耦器(voltage follower)之特性,何者錯誤? (110年度考題)
(A)回授電阻值為零
(B)反相端接地
(C)電壓增益為1
(D)在訊號源與負載間插入電壓隨耦器,可消除負載效應。
0討論
0留言
0追蹤
問題討論
172. 有一放大器電路如圖所示,放大器U
1
為理想運算放大器,其輸出電壓範圍侷限在+10V與-10V之間,二極體D
1
順向電壓V
D0
=0.7V。電阻R
1
=1kΩ,V
1
為交流電源,若欲使節點A為正時二極體D
1
導通,為負時二極體D
1
不導通,試問放大器U
1
的端點1應為正輸入或負輸入?
(110年度考題)
(A)正輸入
(B)負輸入
(C)正輸入或負輸入均可
(D)無法判斷。
0討論
0留言
0追蹤
問題討論
173. 變壓器型半波整流電路及中間抽頭變壓器型全波整流電路,當輸入不同弦波信號時,測得兩種電路中二極體所承受之峰值逆向電壓(PIV)剛好均相同時,設半波及全波之輸出信號峰值電壓為V
o1(p)
及V
o2(p)
,則V
o1(p)
:V
o2(p)
之比值為何? (110年度考題)
(A)0.5
(B)1
(C)2
(D)4。
0討論
0留言
0追蹤
問題討論
174. 圖示截波電路(D為理想二極體)及其輸入信號v
i
(t)=10sin (ωt)伏特,已知輸出信號v
o
的峰對峰電壓值為4伏特,則偏壓電源V
R
應該是多少伏特?
(110年度考題)
(A)6V
(B)4V
(C)-4V
(D)-6V。
0討論
0留言
0追蹤
問題討論
175. 下列何者不是二極體應用上的功能? (110年度考題)
(A)整流
(B)截波
(C)放大
(D)電壓箝位。
0討論
0留言
0追蹤
問題討論
176. 圖示為部分的電晶體共射極放大電路,與電容器C有關功能的敘述,下列何者正確?
(110年度考題)
(A)用於隔離直流信號但耦接交流信號
(B)用於同時耦接直流、交流信號
(C)用於耦接直流信號但隔離交流信號
(D)用於同時隔離直流、交流信號。
0討論
0留言
0追蹤
問題討論
177. 圖中之電路若二極體之導通電壓與導通電阻皆為0,電容C
1
與C
2
之初始電壓皆為0V,v
i
(t)=10sin(10t)伏特,於穩態時,下列敘述何者正確?
(110年度考題)
(A)v
o
(t)=5sin(10t)伏特
(B)v
o
(t)=10sin(10t)伏特
(C)v
o
(t)=20sin(10t)伏特
(D)v
o
(t)=20伏特。
0討論
0留言
0追蹤
問題討論
178. 如圖所示之電路,假設二極體皆為理想,v
in
=V
m
sin (ωt),且V
m
>3V,則其輸出電壓v
out
之波形最有可能為下列何者?
(110年度考題)
(A)
(B)
(C)
(D)
0討論
0留言
0追蹤
問題討論
179. 如圖所示二極體電路,假設二極體導通電壓V
D0
=0.7V。已知電壓v
s
(t)=12sin(120πt)V、R=2kΩ,試求每一顆二極體峰值反向電壓約為多少?
(110年度考題)
(A)12V
(B)11.3V
(C)10.6V
(D)9.2V。
0討論
0留言
0追蹤
問題討論
180. 如圖所示電路,U
1
為理想運算放大器。假設二極體導通電壓V
D0
=0.7V,已知電阻R
1
=1kΩ、R
2
=2kΩ、R
3
=1kΩ、V
CC
=-5V。當v
I
=3V時,對於節點B的電壓v
B
,下列敘述何者正確?
(110年度考題)
(A)v
B
>2.5V
(B)0V<v
B
≤ 2.5V
(C)-2.5V<v
B
≤ 0V
(D)v
B
≤-2.5V。
0討論
0留言
0追蹤
問題討論
181. 如圖所示二極體電路,假設二極體導通電壓V
D0
=0.7V。已知電壓v
s
(t)=12sin(120πt)V,在穩態時輸出電壓v
O
的電壓值約為多少?
(110年度考題)
(A)-22.6V
(B)-10.6V
(C)10.6V
(D)22.6V。
0討論
0留言
0追蹤
問題討論
182. 如圖所示之電路,假設二極體為理想,試求輸出電壓之最大負值為何?
(110年度考題)
(A)-2V
(B)-4V
(C)-6V
(D)-8V。
0討論
0留言
0追蹤
問題討論
183. 若只需考慮負載電阻R
L
與負載電容C
L
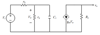
,如圖所示之放大器的頻寬約為何?
(110年度考題)
(A)1.6MHz
(B)16MHz
(C)160MHz
(D)1600MHz。
0討論
0留言
0追蹤
問題討論
184. 下列何者不是共基極放大器的特性? (110年度考題)
(A)輸入阻抗低
(B)輸出阻抗高
(C)輸入與輸出訊號同相
(D)頻寬受到米勒效應的限制。
0討論
0留言
0追蹤
問題討論
185. 下列MOSFET放大器的組態中,何者所需的電源電壓最大? (110年度考題)
(A)共源極(CS)組態
(B)共閘極(CG)組態
(C)共汲極(CD)組態
(D)疊接(cascode)組態。
0討論
0留言
0追蹤
問題討論
186. 圖中電晶體M1之μ
n
C
ox
(W/L)=1mA/V
2
,臨界電壓V
T
=0.8V,若忽略通道調變效應,V
I
=1V,V
o
=?
(110年度考題)
(A)4.8V
(B)4.6V
(C)3V
(D)1.8V。
0討論
0留言
0追蹤
問題討論
187. 如圖所示為一共射極放大電路及其電晶體的部分輸出特性,基-射極接面(BEJ)於導通時因壓降變化不大而視為常數=0.7V,R
B
=40kΩ時,欲得到6V的輸出直流工作點,R
C
約多少?
(110年度考題)
(A)1.5kΩ
(B)2kΩ
(C)2.4kΩ
(D)3.2kΩ。
0討論
0留言
0追蹤
問題討論
188. 圖中所示的增強型MOSFET具有特性參數包括:臨界電壓V
th
=1V、μ
n
C
ox
(W/L)=1mA/V
2
,如果MOSFET的輸入直流電壓V
GSQ
需被設計為3V時,則圖中標示的電阻R值應約多少?
(110年度考題)
(A)0.5kΩ
(B)1kΩ
(C)2kΩ
(D)3kΩ。
0討論
0留言
0追蹤
問題討論
189. 電晶體放大電路藉由如圖所示的分壓偏壓電路,使得該電晶體的輸出直流電壓工作在V
ECQ
=6V,射-基極的導通定電壓固定為0.8V,求電阻R約為多少?
(110年度考題)
(A)0.8kΩ
(B)1.2kΩ
(C)1.6kΩ
(D)2.4kΩ。
0討論
0留言
0追蹤
問題討論
190. 如圖電路若電晶體操作於飽和區,下列何種方式可使電晶體進入主動區?
(110年度考題)
(A)減低R
B
(B)提高V
CC
(C)增加R
E
(D)減低I
C
。
0討論
0留言
0追蹤
問題討論
191. 如圖電路,設電晶體之β=100,R
B
=50kΩ,I=1mA,V
CC
=3V。若要使電晶體維持工作在主動模式(Active-mode)而不進入飽和模式(Saturation-mode),則R
C
可容許之最大值約為:
(110年度考題)
(A)0.5kΩ
(B)2kΩ
(C)4kΩ
(D)5.5kΩ。
0討論
0留言
0追蹤
問題討論
192. 下列電晶體組態中,何者兼具大於1之電流增益以及電壓增益? (110年度考題)
(A)共射(CE)
(B)共基(CB)
(C)共集(CC)
(D)共閘(CG)。
0討論
0留言
0追蹤
問題討論
193. 在某個瞬間測得流過如圖所示波形產生電路中電容器C=0.2μF的電流i(t)=2mA,決定輸出v
O
的頻率約為多少Hz?其中兩個理想放大器的直流電源電壓值均為±10伏特。
(110年度考題)
(A)500Hz
(B)1kHz
(C)10kHz
(D)50kHz。
0討論
0留言
0追蹤
問題討論
194. 一個3級直接耦合串級放大電路的輸入端與輸出端電阻分別為R
i
=2kΩ與R
o
=1kΩ,各單級放大器的電壓增益分別為-50、-3dB、及20,決定該串級放大電路的功率增益為多少dB? (110年度考題)
(A)-20dB
(B)-3dB
(C)60dB
(D)127dB。
0討論
0留言
0追蹤
問題討論
195. 圖示為理想運算放大器組成的電路,運算放大器的輸出飽和電壓為±10V,R
1
=10kΩ、R
2
=30kΩ,輸出電壓v
O
原為+10V,輸入電壓v
I
為下列何電位時,輸出v
O
將為-10V?
(110年度考題)
(A)-3V
(B)-2V
(C)2V
(D)4V。
0討論
0留言
0追蹤
問題討論
196. 如圖電路,已知輸出v
o
的飽和電壓在±10V,其R
1
=100kΩ,R
2
=R=1MΩ且C=0.01μF;若在電容器C旁邊並接一顆二極體,其順向電壓為0.7V,則輸出電壓v
o
會在什麼狀態?
(110年度考題)
(A)保持在±10V變化
(B)保持在-10V
(C)保持在+10V
(D)保持在0V。
0討論
0留言
0追蹤
問題討論
197. 下列那一種耦合串級放大器有最佳的低頻響應? (110年度考題)
(A)變壓器耦合串級放大器
(B)RC耦合串級放大器
(C)直接耦合串級放大器
(D)阻抗耦合串級放大器。
0討論
0留言
0追蹤
問題討論
198. 如圖電路,若輸入v
i
(t)為三角波電壓,則輸出v
o
(t)是什麼波形?
(110年度考題)
(A)正弦波
(B)三角波
(C)脈波
(D)方波。
0討論
0留言
0追蹤
問題討論
199. 有一放大器電路的轉移函數(Transfer function)F(s)=V
O
(s)/V
I
(s),其中s=jω=j2πf:F(s)=
,在製作| F(s) |的波德曲線圖(Bode plot)時,欲估計在頻率f=3kHz時的線段斜率,下列何者正確? (110年度考題)
(A)大於+10dB/decade
(B)落在-10dB/decade至+10dB/decade之間
(C)落在-30dB/decade至-10dB/decade之間
(D)小於-30dB/decade。
0討論
0留言
0追蹤
問題討論
200. 如圖由理想運算放大器所組成之哈特萊振盪器,其振盪頻率為何?
(110年度考題)
(A)f=
(B)f=
(C)f=
(D)f=
。
愛舉手問答平台