新手上路
主題
主題
全部主題
學習法
學習方法 (215)
公職考試
高普考 (556)
鐵路特考 (916)
初等/地方特考 (351)
司法特考 (53)
移民特考 (10)
關務/稅務特考 (55)
民航特考 (20)
國安局/調查局 (14)
身心障礙特考 (36)
原住民特考 (12)
外交特考 (10)
海巡特考 (7)
就業考試
中華郵政 (1441)
捷運公司 (146)
銀行考試 (240)
農漁會 (58)
國營事業 (213)
中華電信 (86)
台電公司 (157)
臺灣菸酒 (162)
中油公司 (180)
自來水公司 (101)
中鋼/中鋁/中龍鋼/中碳 (67)
農田水利會 (75)
漢翔航空 (31)
臺灣港務公司 (36)
台糖公司 (27)
其他 (108)
金融證照
期貨/證券 (57)
投信投顧/信託 (13)
理財規劃 (25)
內控 (4)
授信/外匯 (6)
債券/票券 (1)
股務人員 (1)
專技/技術證照
導遊領隊 (45)
記帳士 (7)
不動產經紀人 (13)
地政士 (7)
消防設備人員 (4)
報關人員 (5)
技術士檢定 (35)
社工師 (5)
食品技師 (6)
人身保險業務員 (5)
軍警考試
一般警察/警察特考 (101)
警專/警大 (33)
軍士官/預官 (9)
軍校招考 (12)
升學考試
升高中 (11)
升大學/轉學考 (34)
升科大四技 (5)
研究所 (6)
國貿類
國貿大會考 (3)
專責報關人員 (0)
教育師資
公幼教保人員 (8)
公幼教師甄選 (2)
教師甄試 (14)
語言檢定
全民英檢 (5)
TOEIC多益 (5)
資訊平台
就業資訊 (8)
金融議題 (1)
鼎文學員專區
密集班 (0)
一般班 (0)
其他
其他 (3640)
老師
發問
登入
註冊
高普考考古題 111年 普考電子儀表概要
高普考考古題
111年 普考電子儀表概要
主題分類
學習法
學習方法
公職考試
高普考
鐵路特考
初等/地方特考
司法特考
移民特考
關務/稅務特考
民航特考
國安局/調查局
身心障礙特考
原住民特考
外交特考
海巡特考
就業考試
中華郵政
捷運公司
銀行考試
農漁會
國營事業
中華電信
台電公司
臺灣菸酒
中油公司
自來水公司
中鋼/中鋁/中龍鋼/中碳
農田水利會
漢翔航空
臺灣港務公司
台糖公司
其他
金融證照
期貨/證券
投信投顧/信託
理財規劃
內控
授信/外匯
債券/票券
股務人員
專技/技術證照
導遊領隊
記帳士
不動產經紀人
地政士
消防設備人員
報關人員
技術士檢定
社工師
食品技師
人身保險業務員
軍警考試
一般警察/警察特考
警專/警大
軍士官/預官
軍校招考
升學考試
升高中
升大學/轉學考
升科大四技
研究所
國貿類
國貿大會考
專責報關人員
教育師資
公幼教保人員
公幼教師甄選
教師甄試
語言檢定
全民英檢
TOEIC多益
資訊平台
就業資訊
金融議題
鼎文學員專區
密集班
一般班
其他
其他
申論題型
0討論
0留言
0追蹤
問題討論
1. 如圖所示之電阻測量電路。
(一)若忽略電壓表與電流表的負載效應時,當待測電阻R
x
的值為多少時,電壓表讀值大小會等於電流表讀值大小的20倍。
(二)若考慮電壓表與電流表的負載效應時,則圖一適合測量高或低電阻值之Rx的接線方式(須說明原因)?
0討論
0留言
0追蹤
問題討論
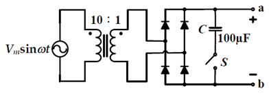
1. 如圖所示電路,若二極體順向導通壓降可忽略,當未接電容C(開關SOFF)時,以三用電表ACV檔測得a、b兩端電壓為V
1
,接上電容C(SON)時,以三用電表DCV檔測得a、b兩端電壓為V
2
,求
為多少?
0討論
0留言
0追蹤
問題討論
1. 如圖所示之電橋電路,當開關S投於位置1時,若R
M
=4kΩ、R
2
=1.5kΩ、R
3
=100kΩ、C
M
=0.1μF,正弦波電源E的頻率為1kHz。
(一)當電橋平衡時,求待測線圈之R
x
和L
x
值各為多少?
(二)若有另一待測線圈的品質因數為第(一)小題線圈的10倍,為減少測量誤差而將S投到位置2,若R
2
、R
3
的值未改變、而C
H
=1nF,當電橋平衡時,求R
H
為多少?
0討論
0留言
0追蹤
問題討論
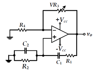
1. 下圖所示為用於信號產生器可產生正弦波之振盪器電路,運算放大器工作於線性(放大)區,若選擇R
1
=R
2
=R=20kΩ、R
4
=1kΩ、C
1
=C
2
=C。
(一)要使電路可維持等振幅振盪,則VR
3
須為多少?
(二)要使輸出正弦波電壓(v
o
)的頻率為795Hz,則C應為多少?
愛舉手問答平台