新手上路
主題
主題
全部主題
學習法
學習方法 (215)
公職考試
高普考 (556)
鐵路特考 (916)
初等/地方特考 (351)
司法特考 (53)
移民特考 (10)
關務/稅務特考 (55)
民航特考 (20)
國安局/調查局 (14)
身心障礙特考 (36)
原住民特考 (12)
外交特考 (10)
海巡特考 (7)
就業考試
中華郵政 (1441)
捷運公司 (146)
銀行考試 (240)
農漁會 (58)
國營事業 (213)
中華電信 (86)
台電公司 (157)
臺灣菸酒 (162)
中油公司 (180)
自來水公司 (101)
中鋼/中鋁/中龍鋼/中碳 (67)
農田水利會 (75)
漢翔航空 (31)
臺灣港務公司 (36)
台糖公司 (27)
其他 (108)
金融證照
期貨/證券 (57)
投信投顧/信託 (13)
理財規劃 (25)
內控 (4)
授信/外匯 (6)
債券/票券 (1)
股務人員 (1)
專技/技術證照
導遊領隊 (45)
記帳士 (7)
不動產經紀人 (13)
地政士 (7)
消防設備人員 (4)
報關人員 (5)
技術士檢定 (35)
社工師 (5)
食品技師 (6)
人身保險業務員 (5)
軍警考試
一般警察/警察特考 (101)
警專/警大 (33)
軍士官/預官 (9)
軍校招考 (12)
升學考試
升高中 (11)
升大學/轉學考 (34)
升科大四技 (5)
研究所 (6)
國貿類
國貿大會考 (3)
專責報關人員 (0)
教育師資
公幼教保人員 (8)
公幼教師甄選 (2)
教師甄試 (14)
語言檢定
全民英檢 (5)
TOEIC多益 (5)
資訊平台
就業資訊 (8)
金融議題 (1)
鼎文學員專區
密集班 (0)
一般班 (0)
其他
其他 (3640)
老師
發問
登入
註冊
高普考考古題 普考電子儀表概要 (收錄82~88,98~101,106~111年歷屆試題,每次隨機抽取4題)
高普考考古題
普考電子儀表概要 (收錄82~88,98~101,106~111年歷屆試題,每次隨機抽取4題)
主題分類
學習法
學習方法
公職考試
高普考
鐵路特考
初等/地方特考
司法特考
移民特考
關務/稅務特考
民航特考
國安局/調查局
身心障礙特考
原住民特考
外交特考
海巡特考
就業考試
中華郵政
捷運公司
銀行考試
農漁會
國營事業
中華電信
台電公司
臺灣菸酒
中油公司
自來水公司
中鋼/中鋁/中龍鋼/中碳
農田水利會
漢翔航空
臺灣港務公司
台糖公司
其他
金融證照
期貨/證券
投信投顧/信託
理財規劃
內控
授信/外匯
債券/票券
股務人員
專技/技術證照
導遊領隊
記帳士
不動產經紀人
地政士
消防設備人員
報關人員
技術士檢定
社工師
食品技師
人身保險業務員
軍警考試
一般警察/警察特考
警專/警大
軍士官/預官
軍校招考
升學考試
升高中
升大學/轉學考
升科大四技
研究所
國貿類
國貿大會考
專責報關人員
教育師資
公幼教保人員
公幼教師甄選
教師甄試
語言檢定
全民英檢
TOEIC多益
資訊平台
就業資訊
金融議題
鼎文學員專區
密集班
一般班
其他
其他
申論題型
0討論
0留言
0追蹤
問題討論
1. 用電阻、電容、場效電晶體(FET)設計相移震盪器(Phase Shift Oscillator),請以迴授控制理論,說明產生震盪信號的原因。 (100年考題)
0討論
0留言
0追蹤
問題討論
1. 對於下圖的惠斯登電橋(Wheatstone bridge),假設P=10 kΩ,Q=4 kΩ:
(一)當電橋達到平衡時,S=2 kΩ,求R值。
(二)假設P的準確度是±0.1%,Q的準確度是±0.06%,R的準確度是±0.04%,求S值的可能最高值和可能最低值。
(三)假設可變電阻S的最小調整刻度是1Ω,忽略電流表的靈敏度,求量測R值的最小改變量(就是靈敏度)。
(四)考慮電流表的靈敏度,假設電流表指針移動的最小電流是1μA,電流表的內阻是
kΩ,電源E是6伏特,求量測R值的最小改變量。
(100年考題)
0討論
0留言
0追蹤
問題討論
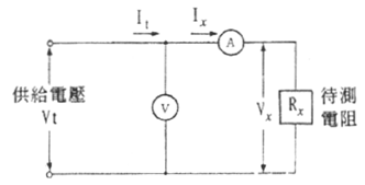
1. 如下圖所示為電阻的間接測量法
(一)本測量法,適合測量低電阻,對不對?為什麼?
(二)如何計算,才可得到較正確的R
x
。
(87年考題)
0討論
0留言
0追蹤
問題討論
1. 試簡述CRT螢幕內之延遲掃描(Delay sweep)。其有何特殊優點? (85年考題)
愛舉手問答平台